ARMAT Автоматтық ажыратқыш M06N 4P C 10А IEK
Қоймада
IEK
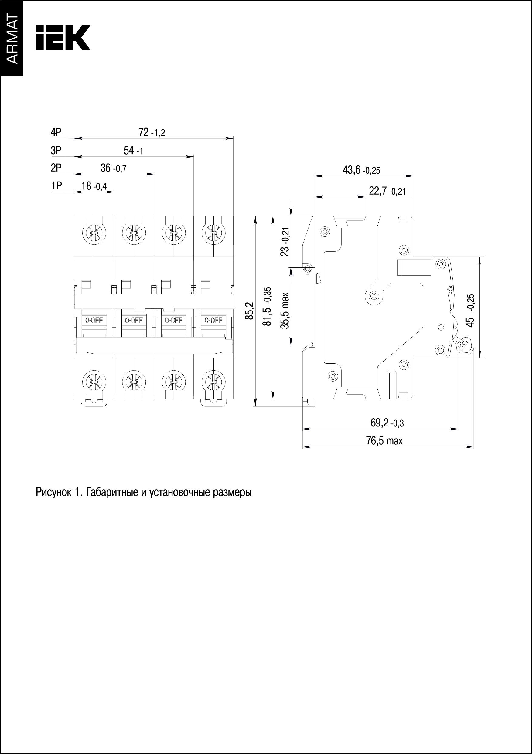
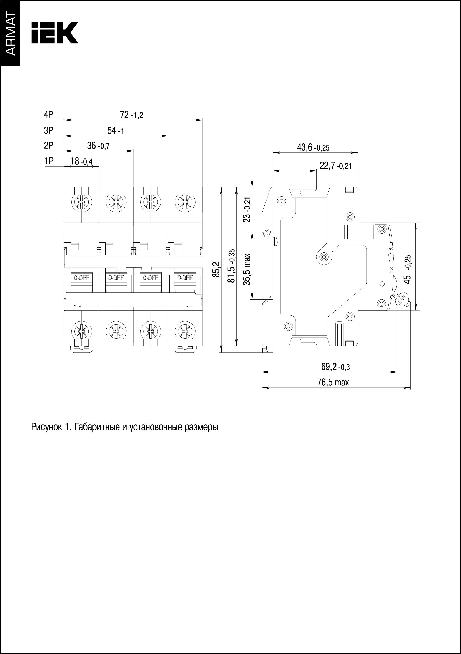
72
8536201007
76
DIN-рейкаға
бұрандалы байланыс
4
50
10
3
400
Жоқ
25
6
КИТАЙ
C
20000
IP20
-40…+70
120
M06N
85.2
Дана
500
жоқ
0.47
0.000718
ауыспалы (АС)
Бейне
Бұл өнімге әлі шолулар жоқ. Сіз бірінші бола аласыз!
Пікір қалдыру үшін жүйеге кіріңіз.









