ARMAT Автоматтық ажыратқыш M06N 4P C 50А IEK
Қоймада
IEK
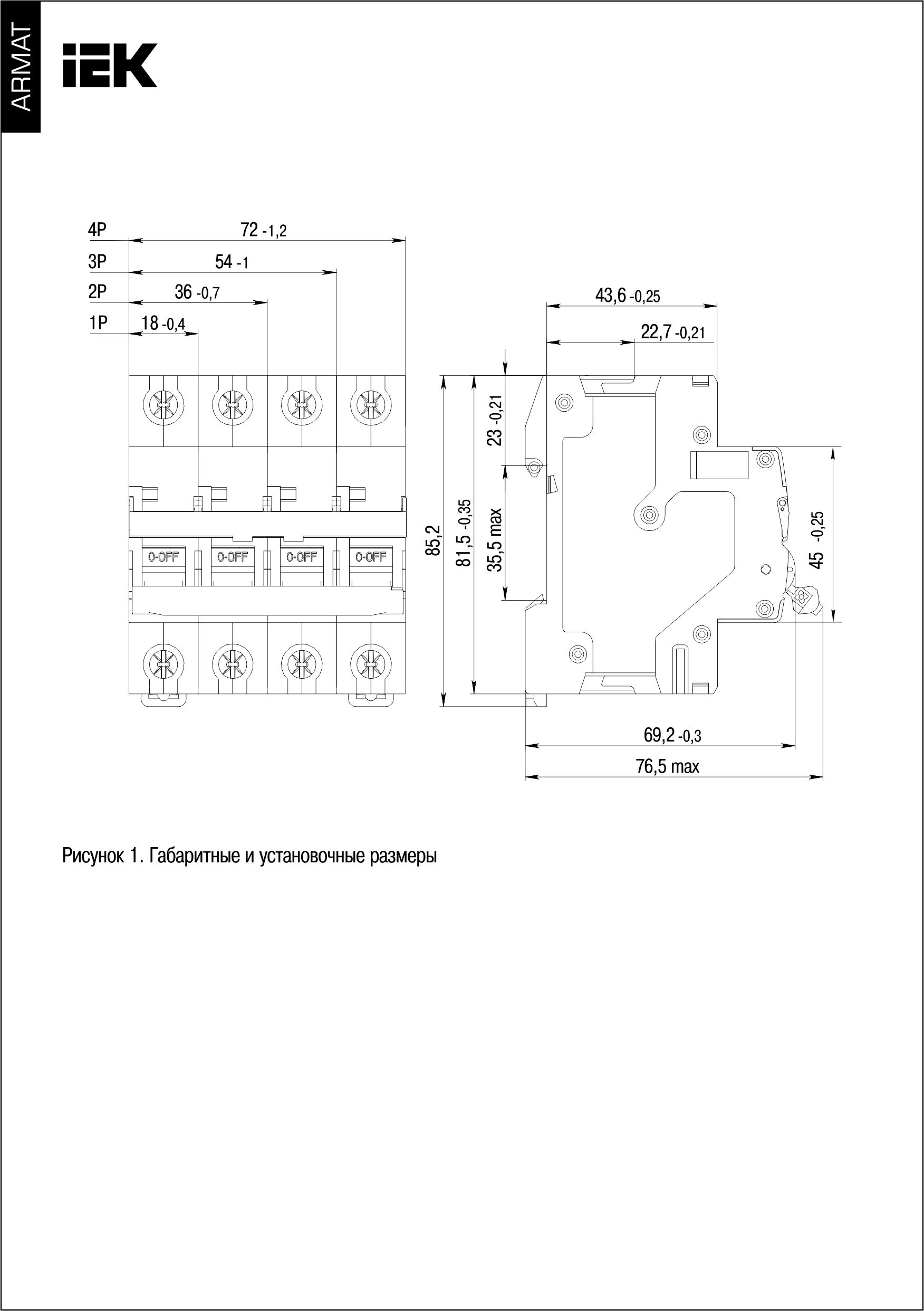
72
8536201007
76
DIN-рейкаға
бұрандалы байланыс
4
50
50
3
400
Жоқ
25
6
КИТАЙ
C
20000
IP20
-40…+70
120
M06N
85.2
Дана
500
жоқ
0.501
0.000749
ауыспалы (АС)
Бейне
Бұл өнімге әлі шолулар жоқ. Сіз бірінші бола аласыз!
Пікір қалдыру үшін жүйеге кіріңіз.









