ARMAT Автоматтық ажыратқыш M10N 3P C 25А IEK
Қоймада
25
4
400
Жоқ
25
10
C
20000
КИТАЙ
IP20
-40…+70
120
M10N
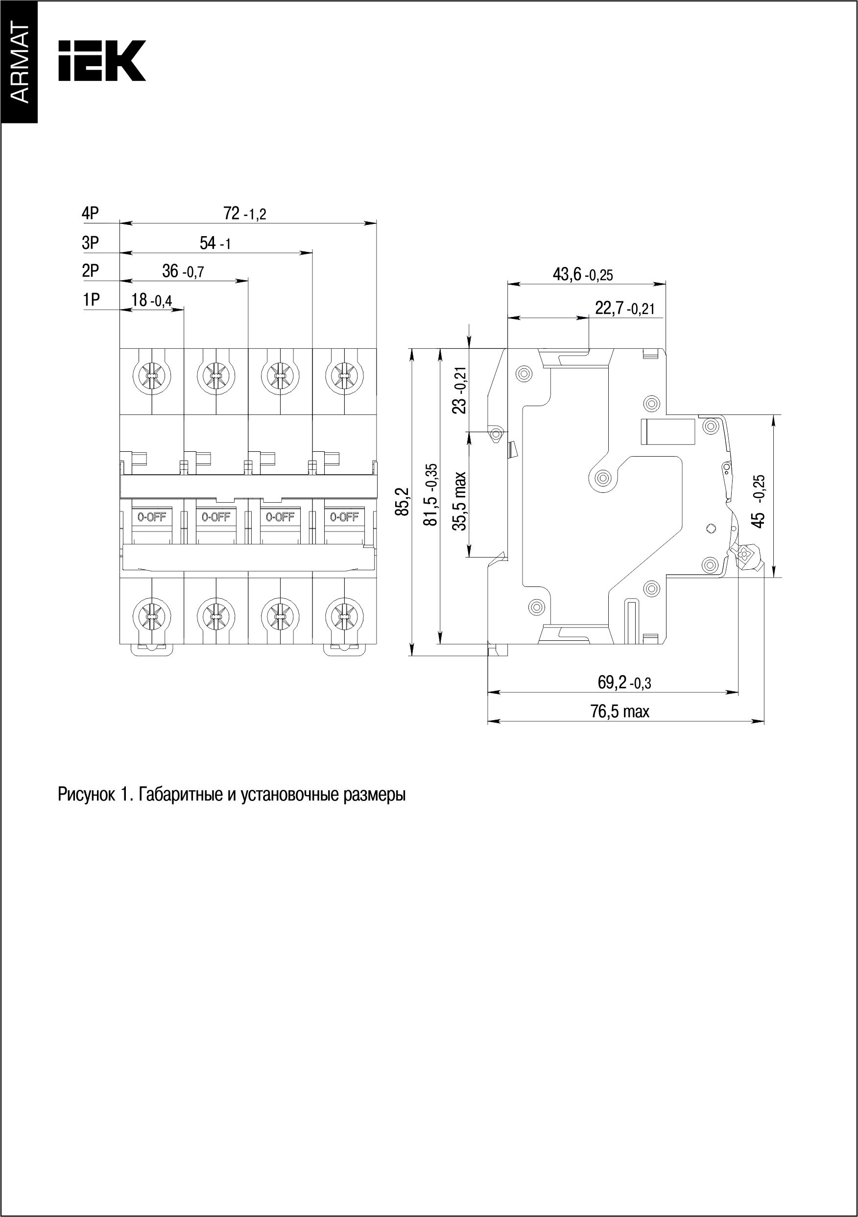
85.2
Дана
500
0.381
жоқ
0.000583
ауыспалы (АС)
IEK
54
8536201007
76
DIN-рейкаға
бұрандалы байланыс
3
50
Бейне
Бұл өнімге әлі шолулар жоқ. Сіз бірінші бола аласыз!
Пікір қалдыру үшін жүйеге кіріңіз.









