ARMAT Автоматтық ажыратқыш M10N 3P D 16А IEK
Қоймада
жоқ
0.37
0.000585
ауыспалы (АС)
54
IEK
76
8536201007
DIN-рейкаға
бұрандалы байланыс
50
3
4
16
Жоқ
400
10
25
20000
КИТАЙ
D
-40…+70
IP20
M10N
120
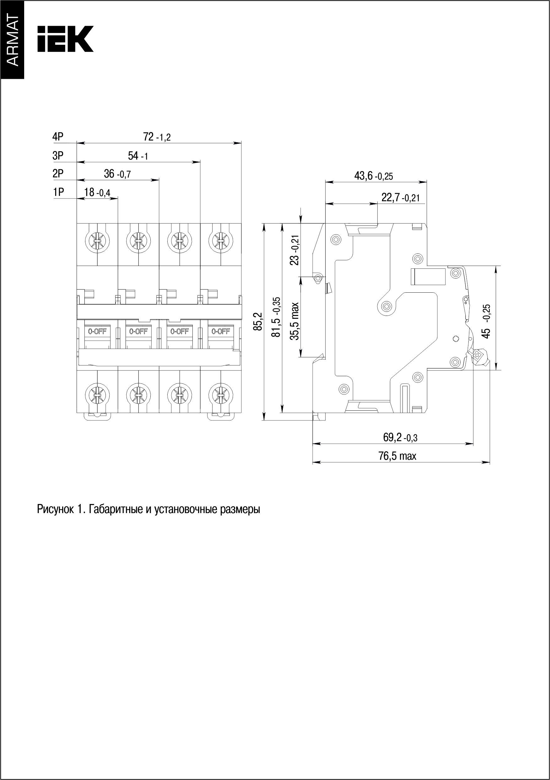
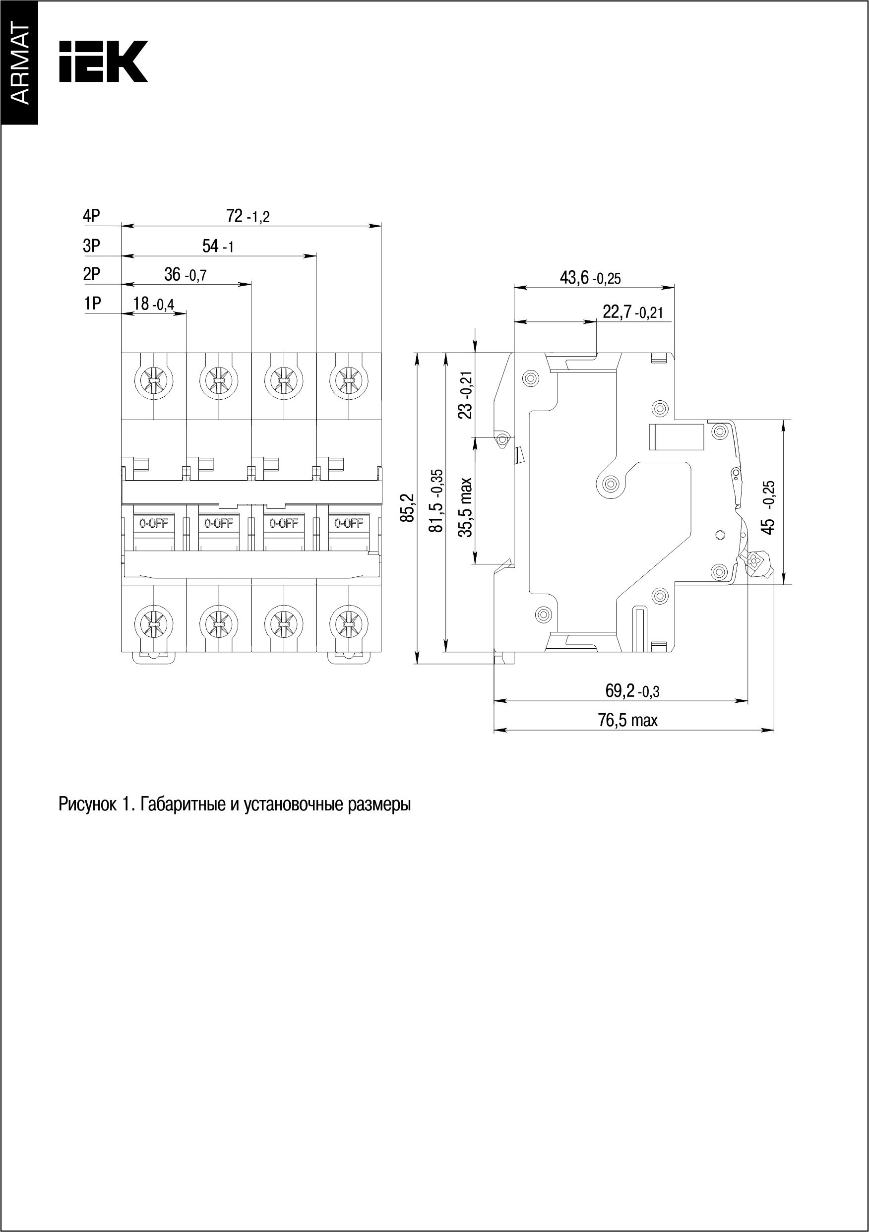
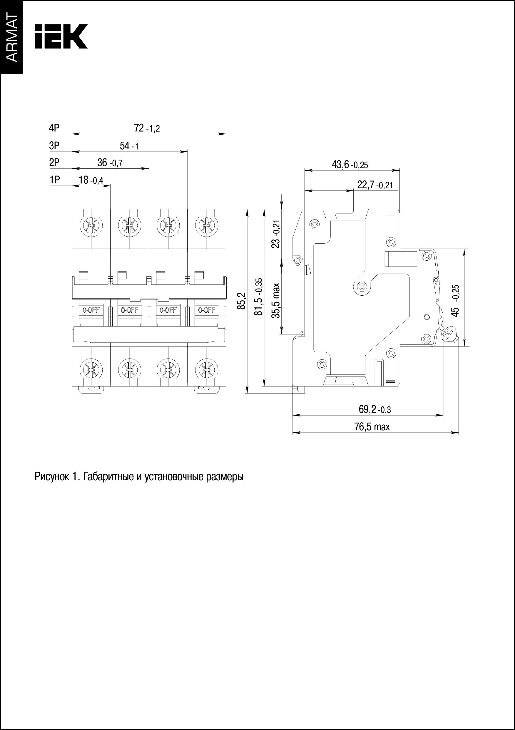
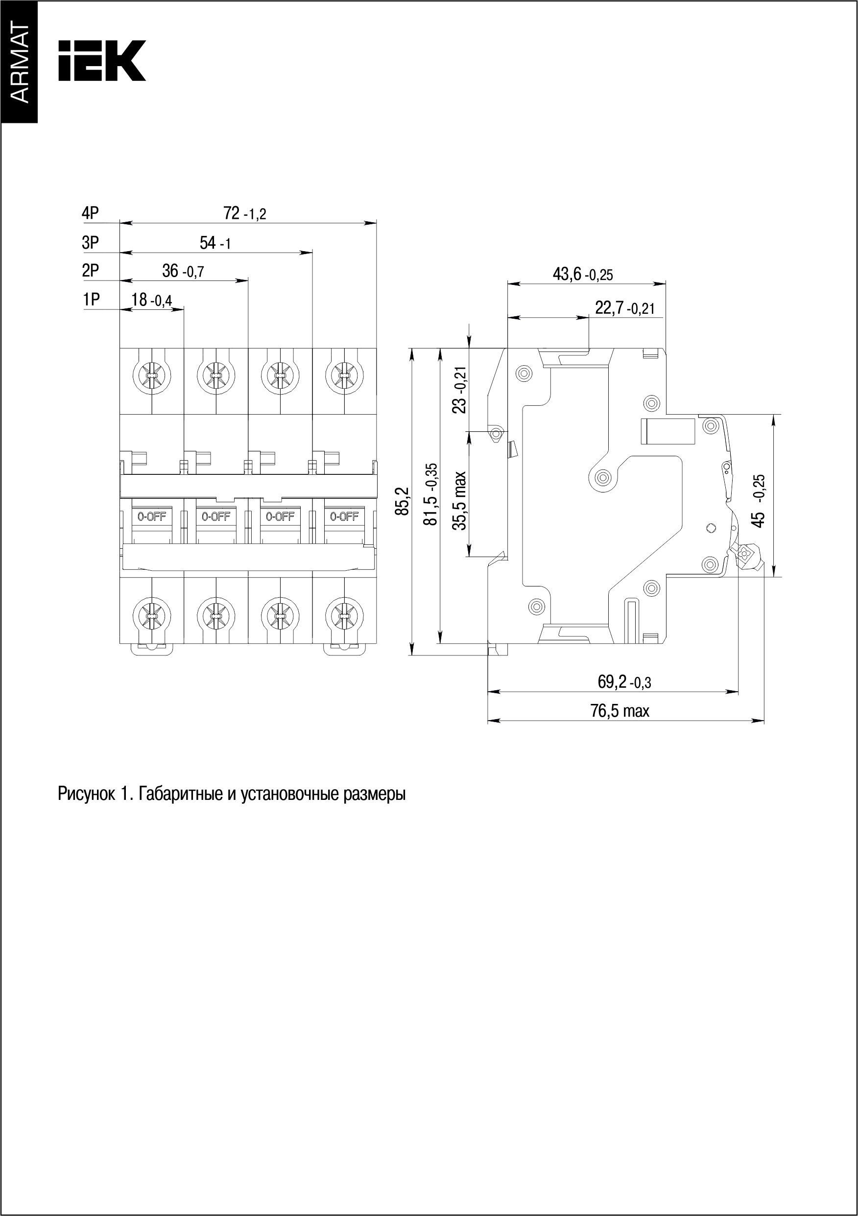
85.2
500
Дана
Бейне
Бұл өнімге әлі шолулар жоқ. Сіз бірінші бола аласыз!
Пікір қалдыру үшін жүйеге кіріңіз.









