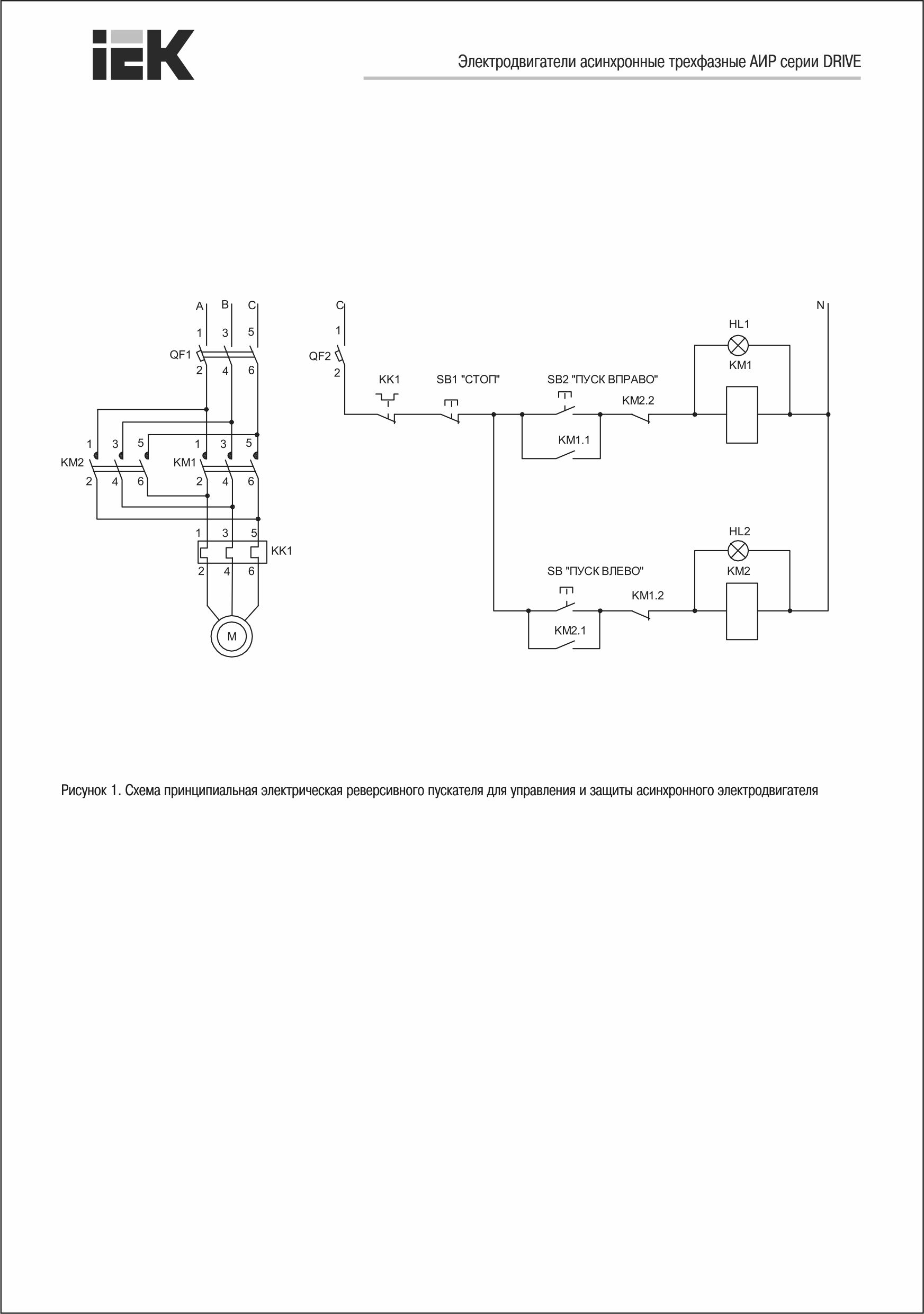
Электр қозғалтқышы 7,5кВт/3000 айн/мин АИР112M2 380В 3ф.1081 DRIVE ИЭК
Тапсырыс беру
Менеджермен тексеріңіз112
IM1081
2
220/380
У2
КИТАЙ
350
86
275
алюминий
505
білік желдеткіші
3
0.85
Дана
26.9; 15.6
1
50
55
Жоқ
10
0.048606
3
IEK
50
8501523000
-45 +40 °C
7.5
3000
Бұл өнімге арналған бейне жоқ.
Бұл өнімге әлі шолулар жоқ. Сіз бірінші бола аласыз!
Пікір қалдыру үшін жүйеге кіріңіз.
