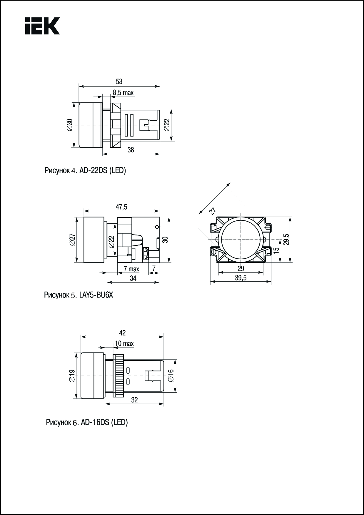
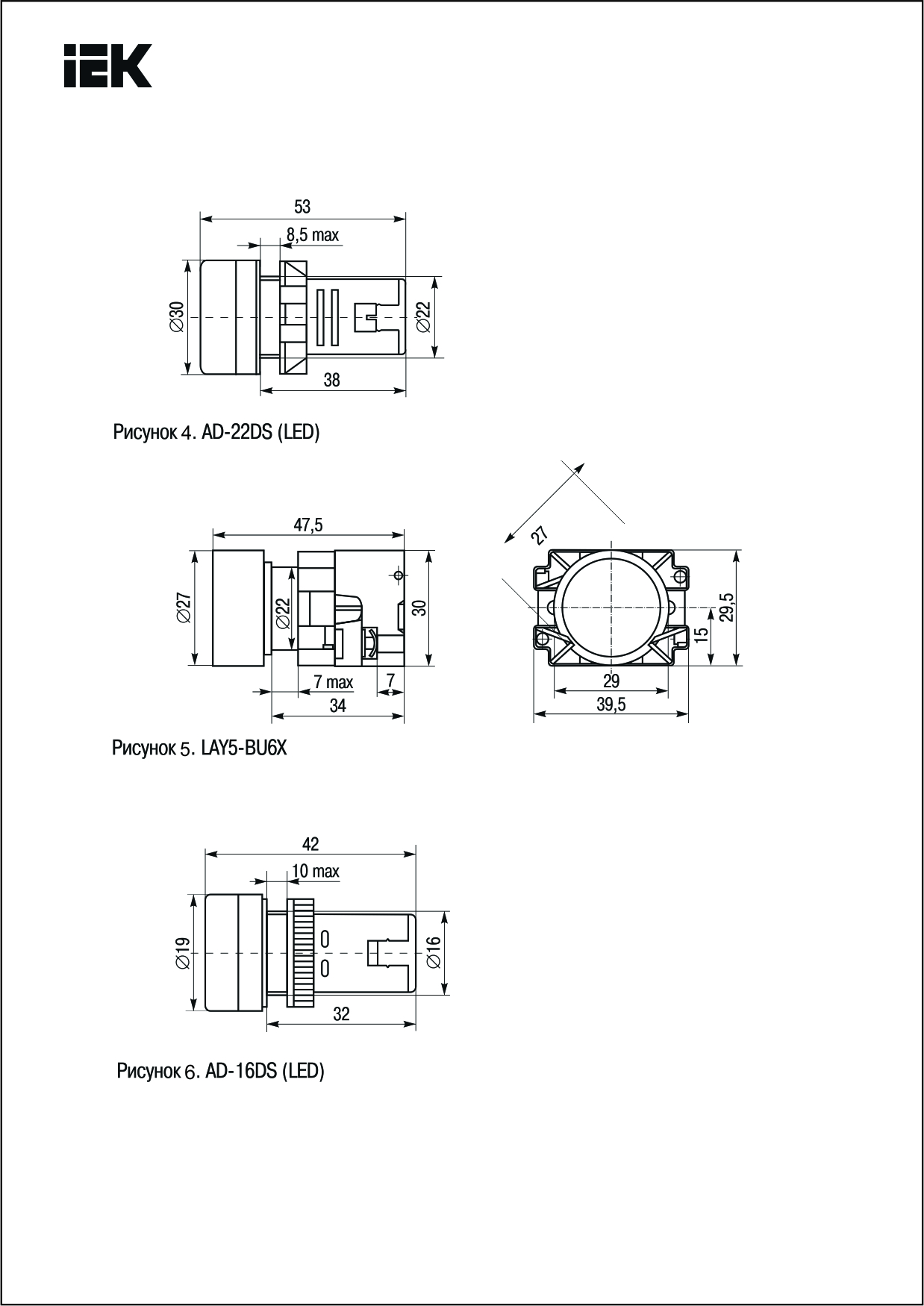
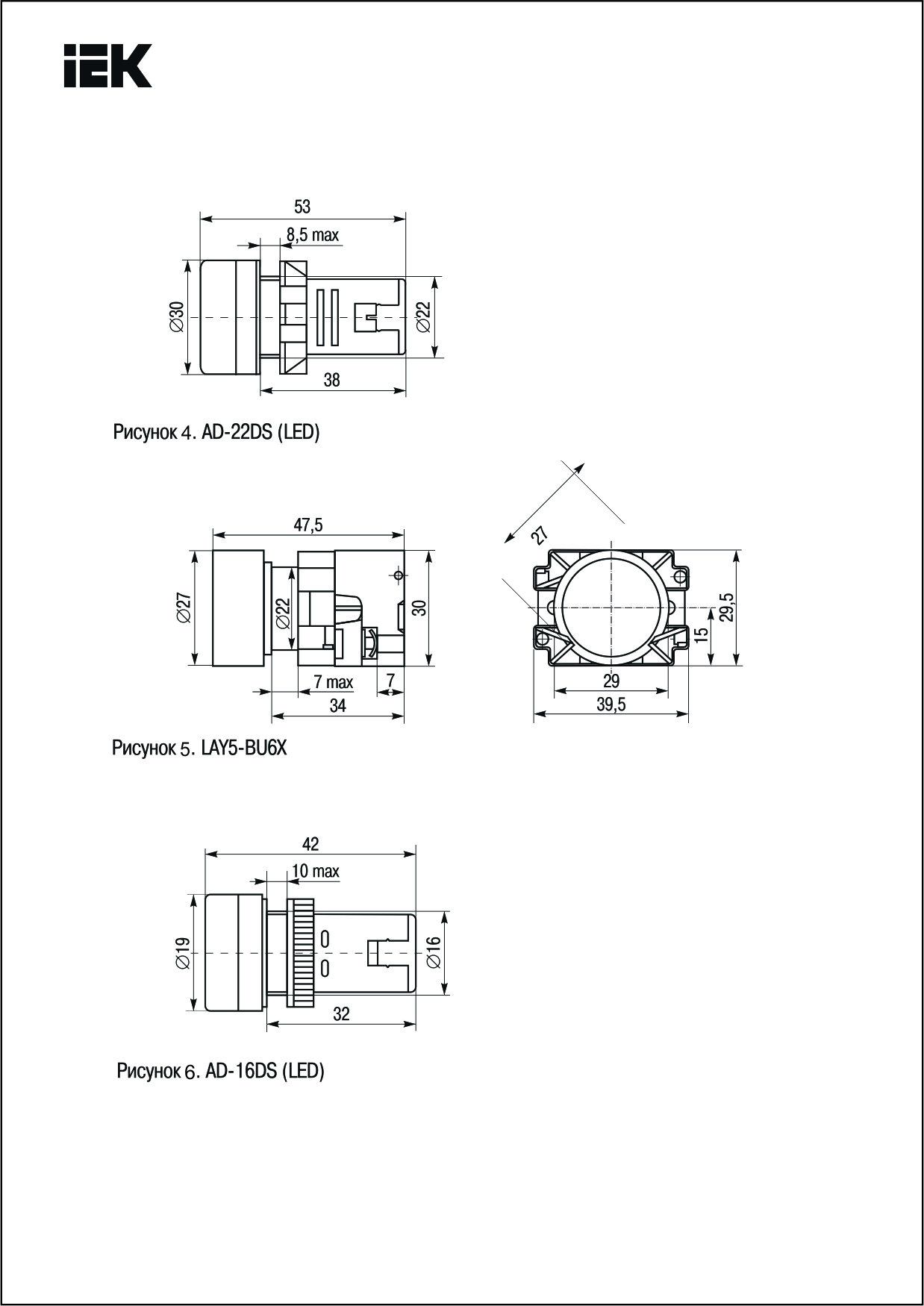
Шам AD22DS(LED)матрица d22мм ақ 24В AC/DC ИЭК
 
            
            Тапсырыс беру
Менеджермен тексеріңізIEK
Бар
8531809500
сигнал шамы
ақ
22
ақ
дөңгелек
басқа
24
пластик
КИТАЙ
53
LED
42
-25 +40 °C
28
0.02
5
Дана
10
Жоқ
0.025
бұрандалы
40
0.000623
AC-DC
Бұл өнімге арналған бейне жоқ.
Бұл өнімге әлі шолулар жоқ. Сіз бірінші бола аласыз!
Пікір қалдыру үшін жүйеге кіріңіз.

 
                 
 
 
 
        
     
        
     
        
     
        
     
        
     
        
     
        
     
        
     
        
     
        
     
         
     
         
         
         
                         
                         
                