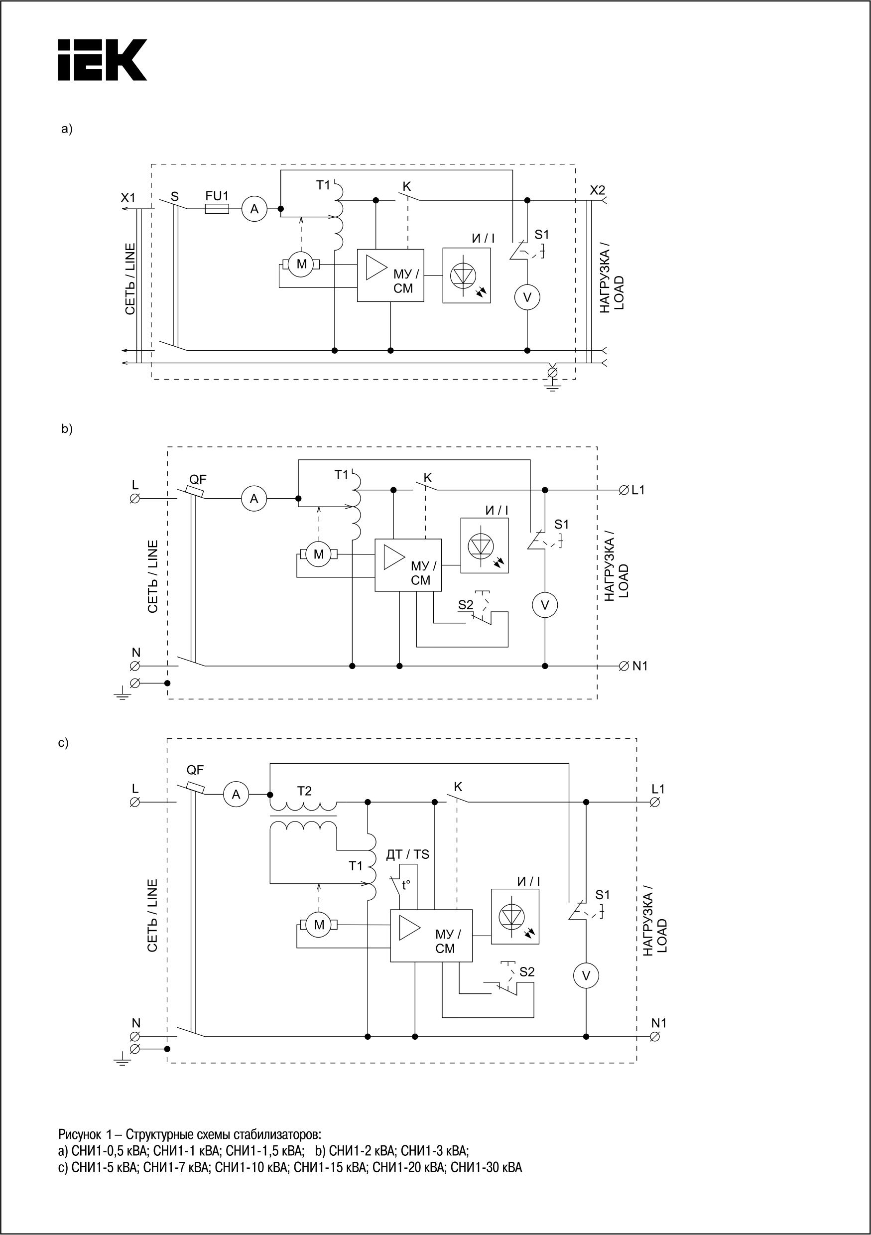
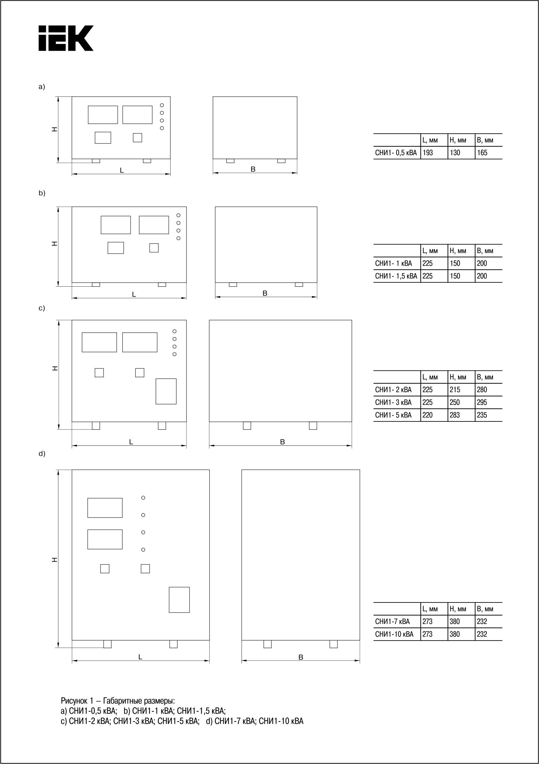
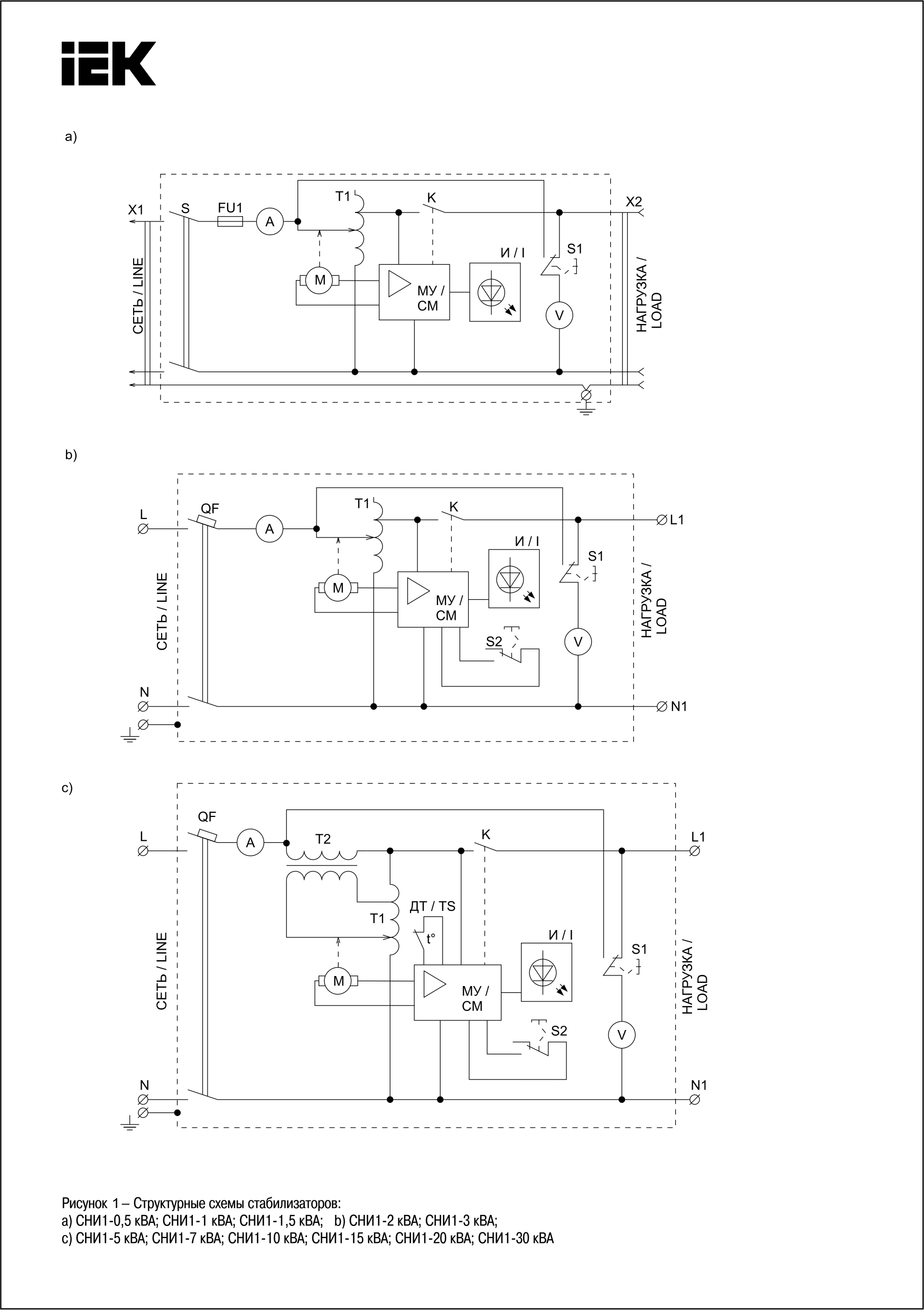
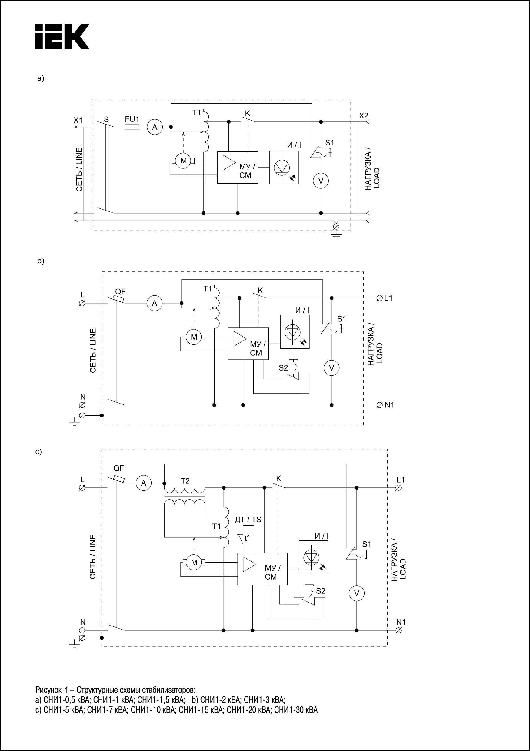
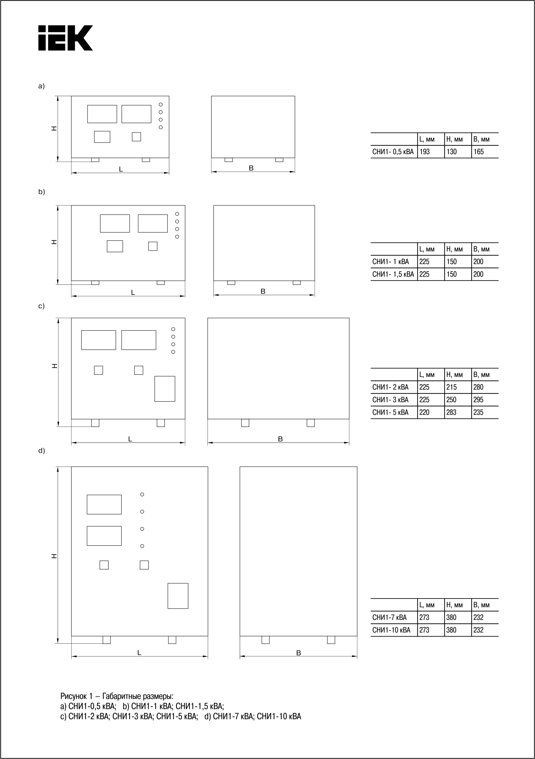
Кернеу қуаттандырғышы CHИ 1-0,5 кВа бір фазалы ИЭК
Қоймада
едендік
0.5
2.25
160-250
220
220
50
КИТАЙ
400-450
165
2.5
130
УХЛ4
193
электромеханикалық
Дана
165
3
5
3
5000±2
20
1
0.008188
10
Жоқ
IEK
1
9032890000
едендік нұсқасы
Сертификаттар
Мұрағатты жүктеп алуБұл өнімге арналған бейне жоқ.
Бұл өнімге әлі шолулар жоқ. Сіз бірінші бола аласыз!
Пікір қалдыру үшін жүйеге кіріңіз.
