Кернеу қуаттандырғышы CHИ 1-1,5 кВа бір фазалы ИЭК
Қоймада
9032890000
едендік нұсқасы
едендік
1.5
6.75
160-250
220
220
50
КИТАЙ
1200-1350
200
2.5
150
УХЛ4
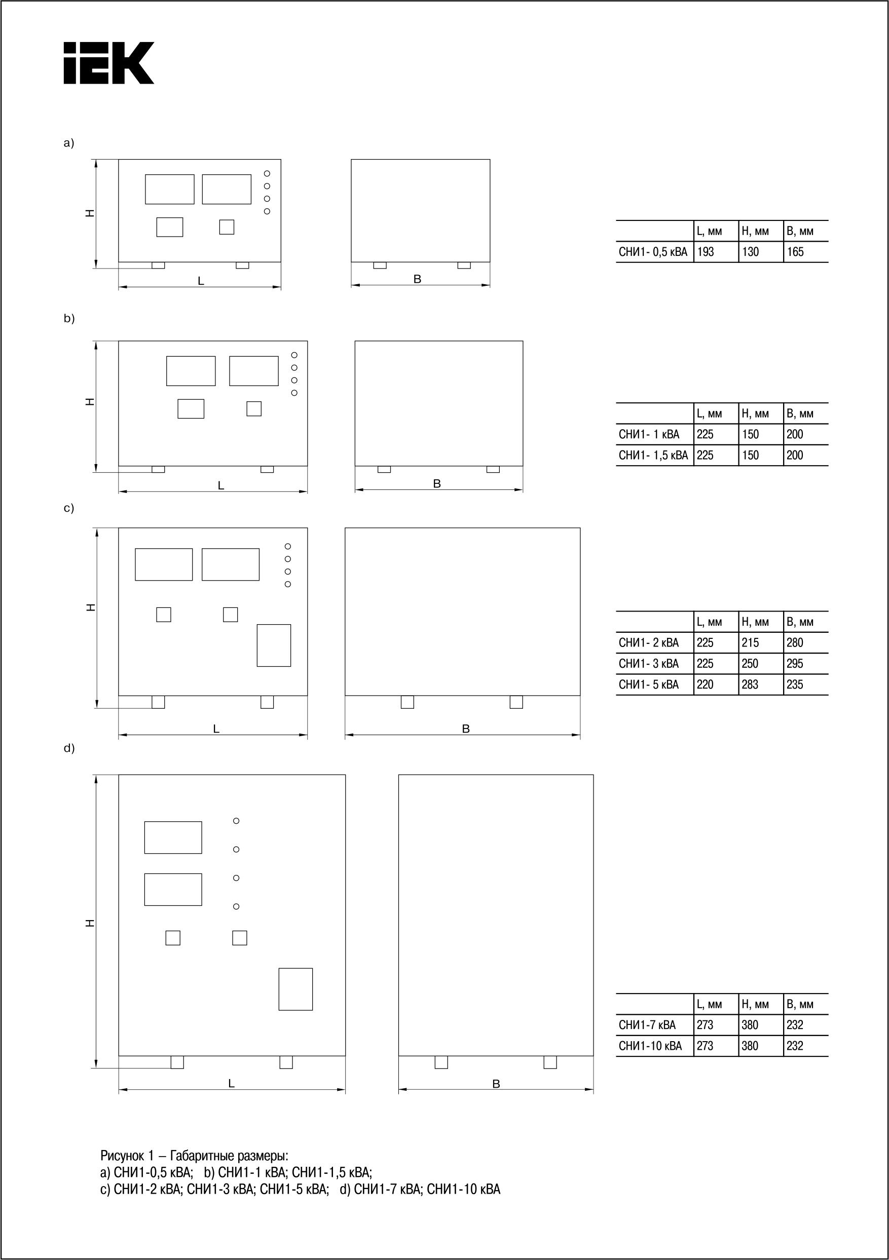
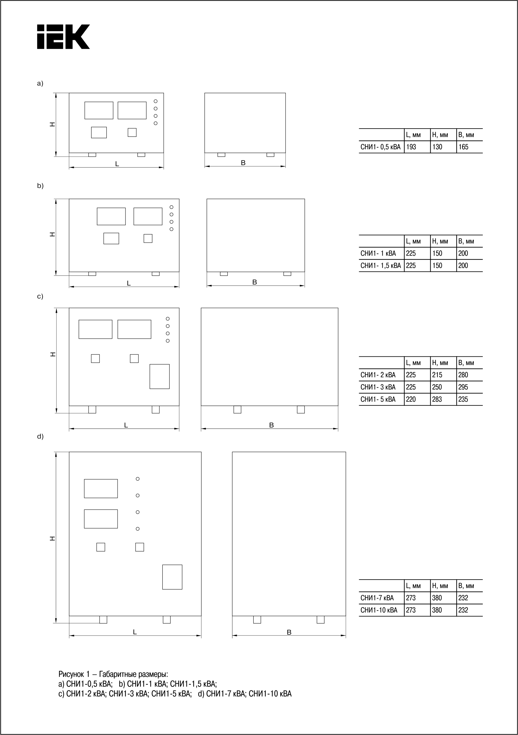
225
электромеханикалық
Дана
200
3
7.35
3
5000±2
20
1
0.01479
10
Жоқ
IEK
1
Бұл өнімге арналған бейне жоқ.
Бұл өнімге әлі шолулар жоқ. Сіз бірінші бола аласыз!
Пікір қалдыру үшін жүйеге кіріңіз.
