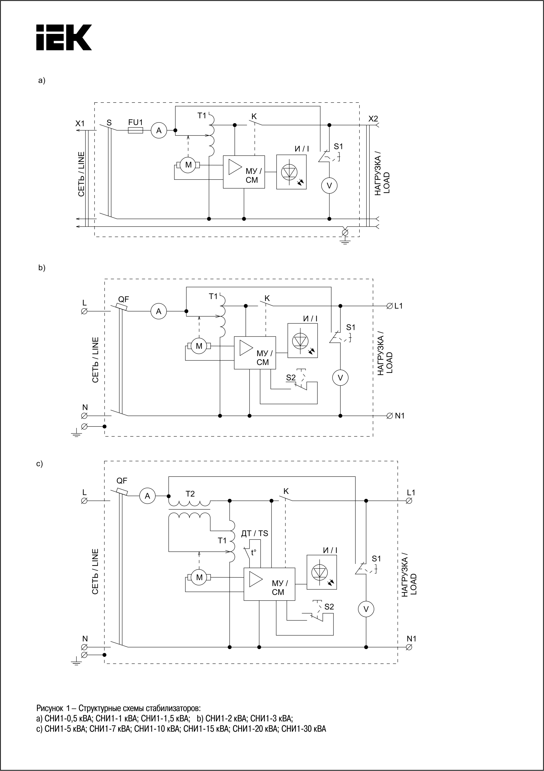
Кернеу қуаттандырғышы CHИ 1-1 кВа бір фазалы ИЭК
Тапсырыс беру
Менеджермен тексеріңізУХЛ4
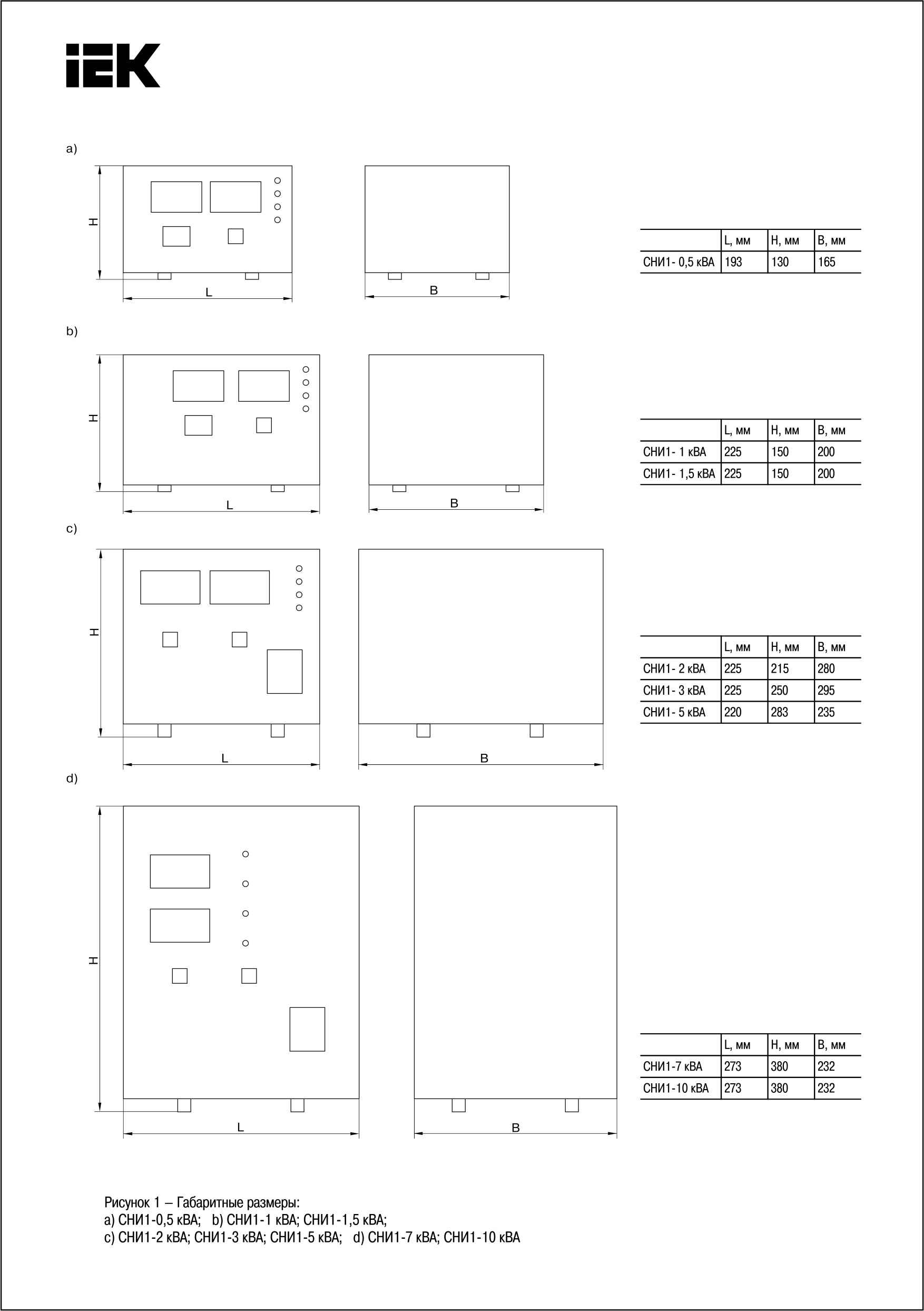
150
225
электромеханикалық
200
3
Дана
3
5000±2
6.763
20
1
10
Жоқ
0.014603
1
IEK
едендік нұсқасы
9032890000
едендік
1
4.5
160-250
220
50
220
КИТАЙ
800-900
2.5
200
Бұл өнімге арналған бейне жоқ.
Сертификаттар
Мұрағатты жүктеп алуБұл өнімге әлі шолулар жоқ. Сіз бірінші бола аласыз!
Пікір қалдыру үшін жүйеге кіріңіз.
