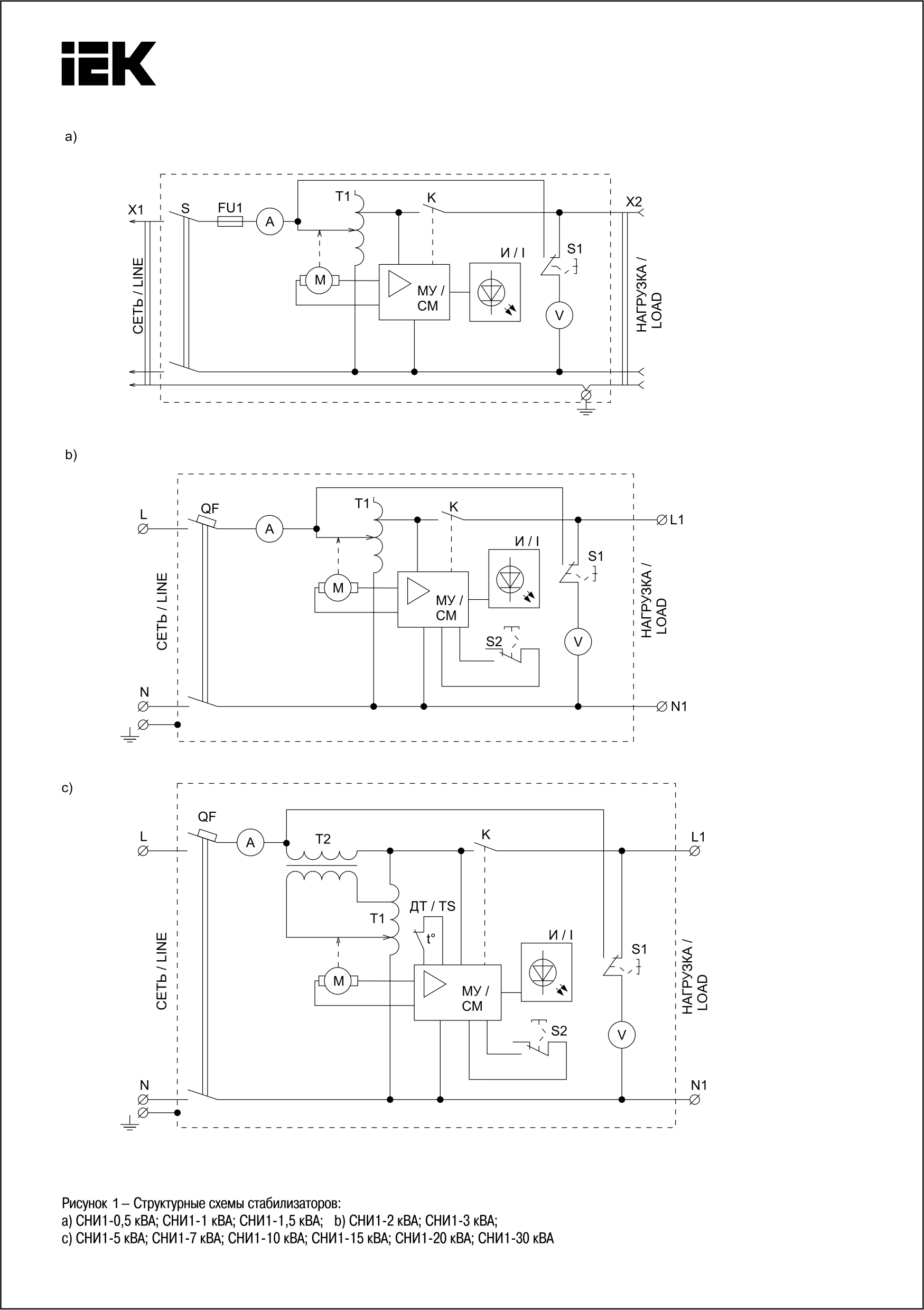
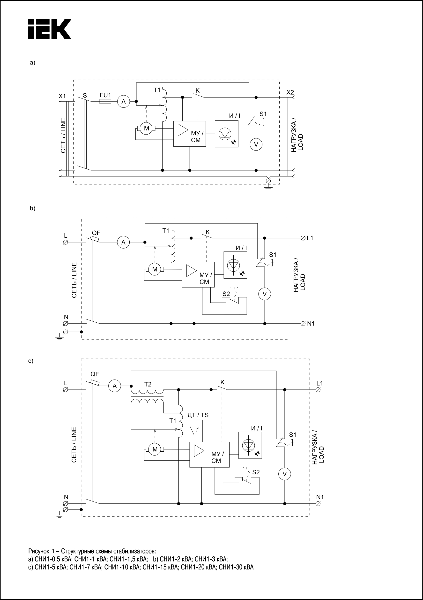
Кернеу қуаттандырғышы CHИ 1-15 кВа бір фазалы ИЭК
Тапсырыс беру
Менеджермен тексеріңізедендік
15
67
160-250
220
220
50
12000-13500
КИТАЙ
385
16
650
УХЛ4
330
электромеханикалық
Дана
385
3
68.7
3
5000±2
20
1
0.162206
10
Жоқ
IEK
1
9032890000
едендік нұсқасы
Сертификаттар
Мұрағатты жүктеп алуБұл өнімге арналған бейне жоқ.
Бұл өнімге әлі шолулар жоқ. Сіз бірінші бола аласыз!
Пікір қалдыру үшін жүйеге кіріңіз.
