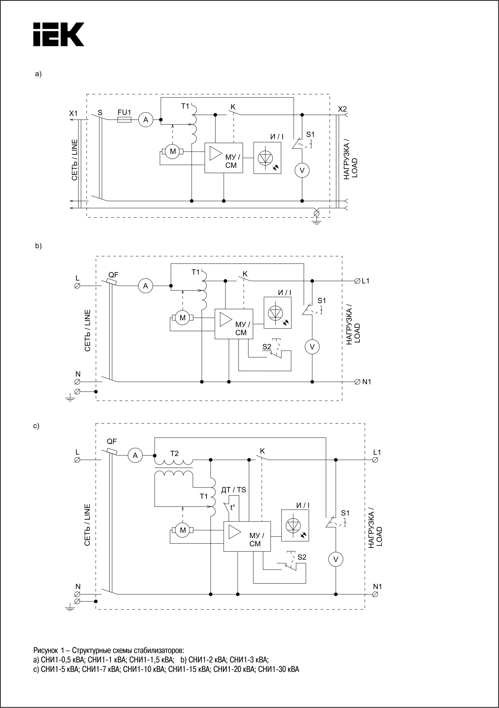
Кернеу қуаттандырғышы CHИ 1-2 кВа бір фазалы ИЭК
Тапсырыс беру
Менеджермен тексеріңізКИТАЙ
1600-1800
2.5
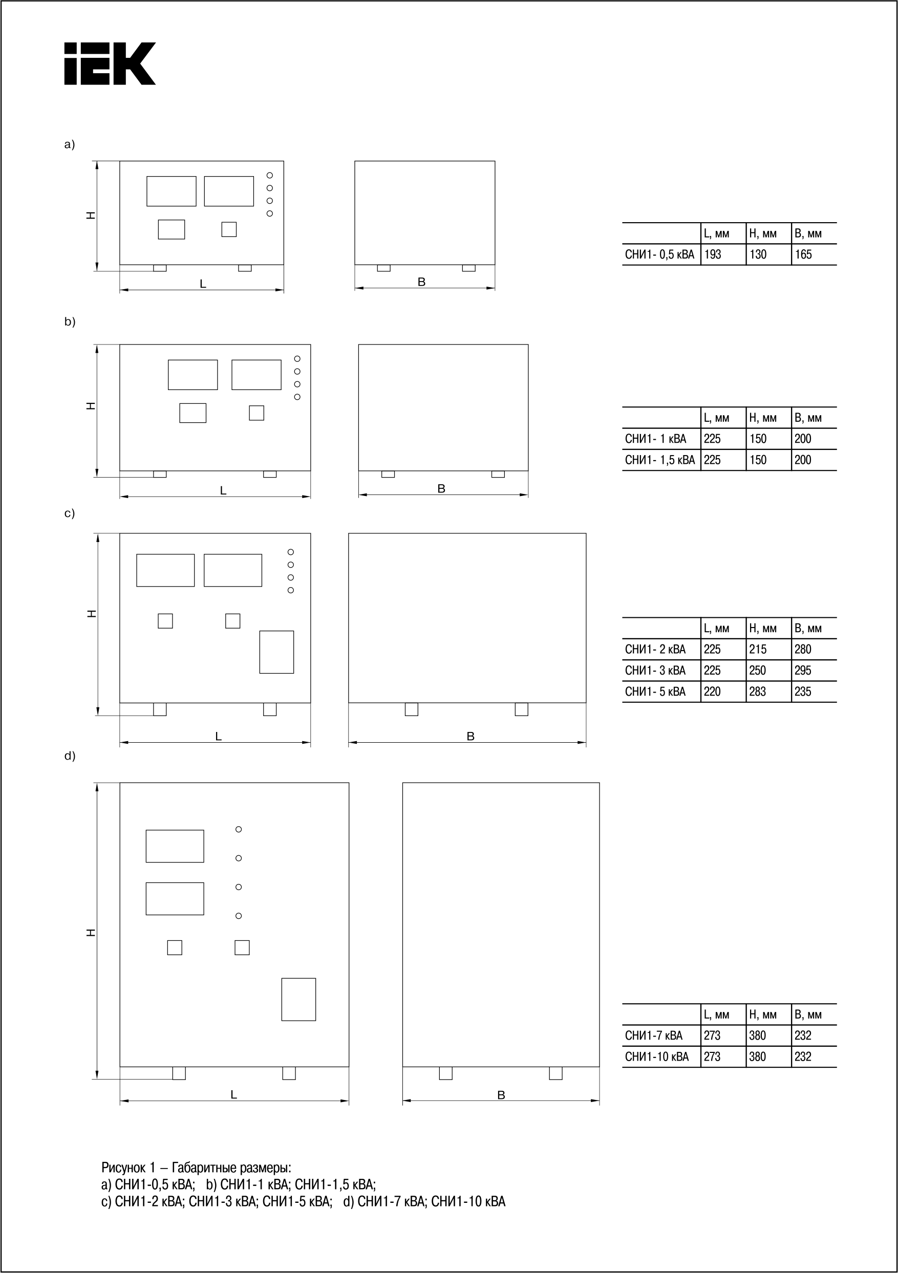
280
УХЛ4
215
электромеханикалық
225
3
Дана
280
5000±2
10.67
3
1
20
Жоқ
0.03219
10
IEK
1
9032890000
едендік нұсқасы
едендік
2
9
160-250
220
50
220
Сертификаттар
Мұрағатты жүктеп алуБұл өнімге арналған бейне жоқ.
Бұл өнімге әлі шолулар жоқ. Сіз бірінші бола аласыз!
Пікір қалдыру үшін жүйеге кіріңіз.
