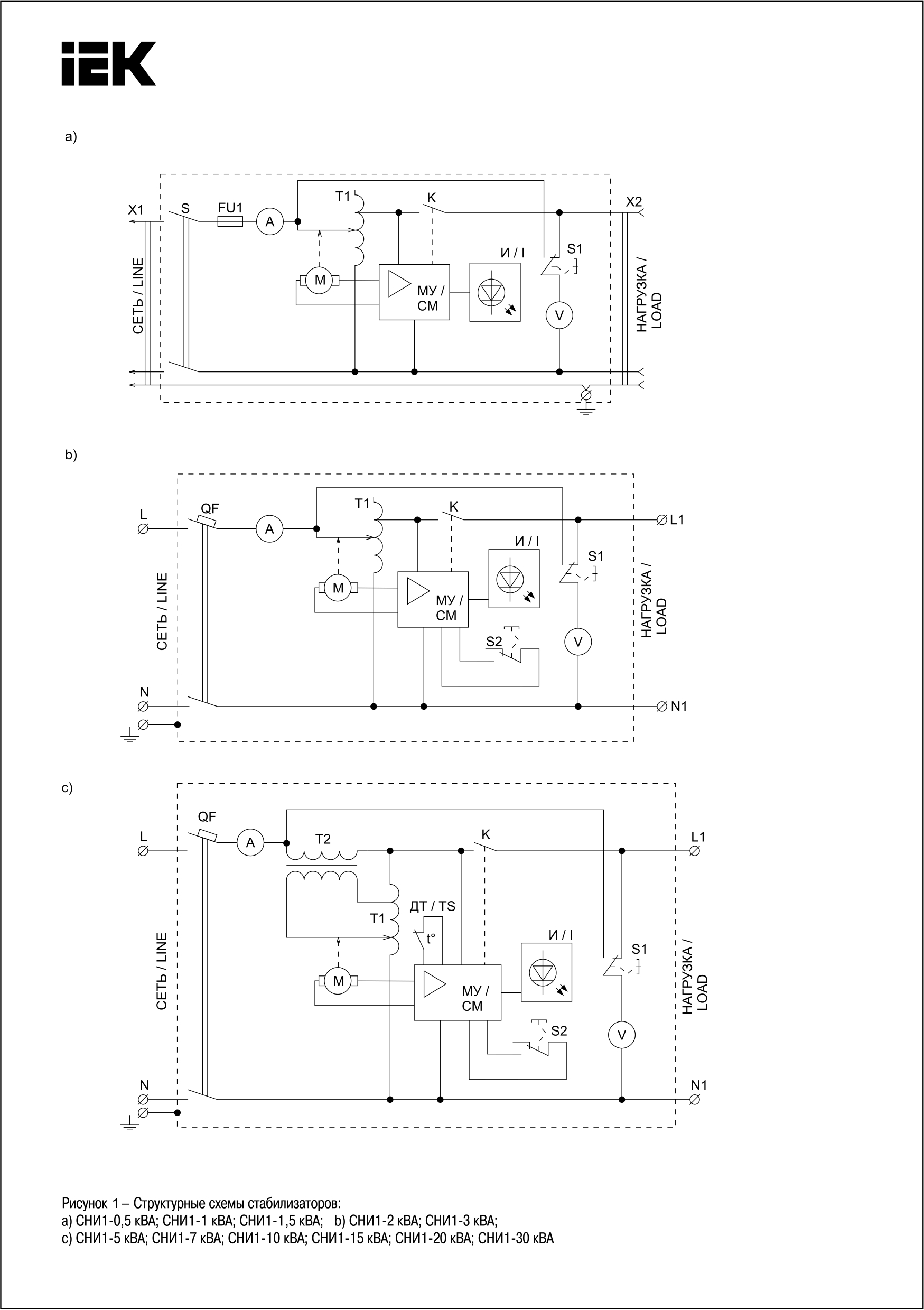
Кернеу қуаттандырғышы CHИ 1-3 кВа бір фазалы ИЭК
Тапсырыс беру
Менеджермен тексеріңізУХЛ4
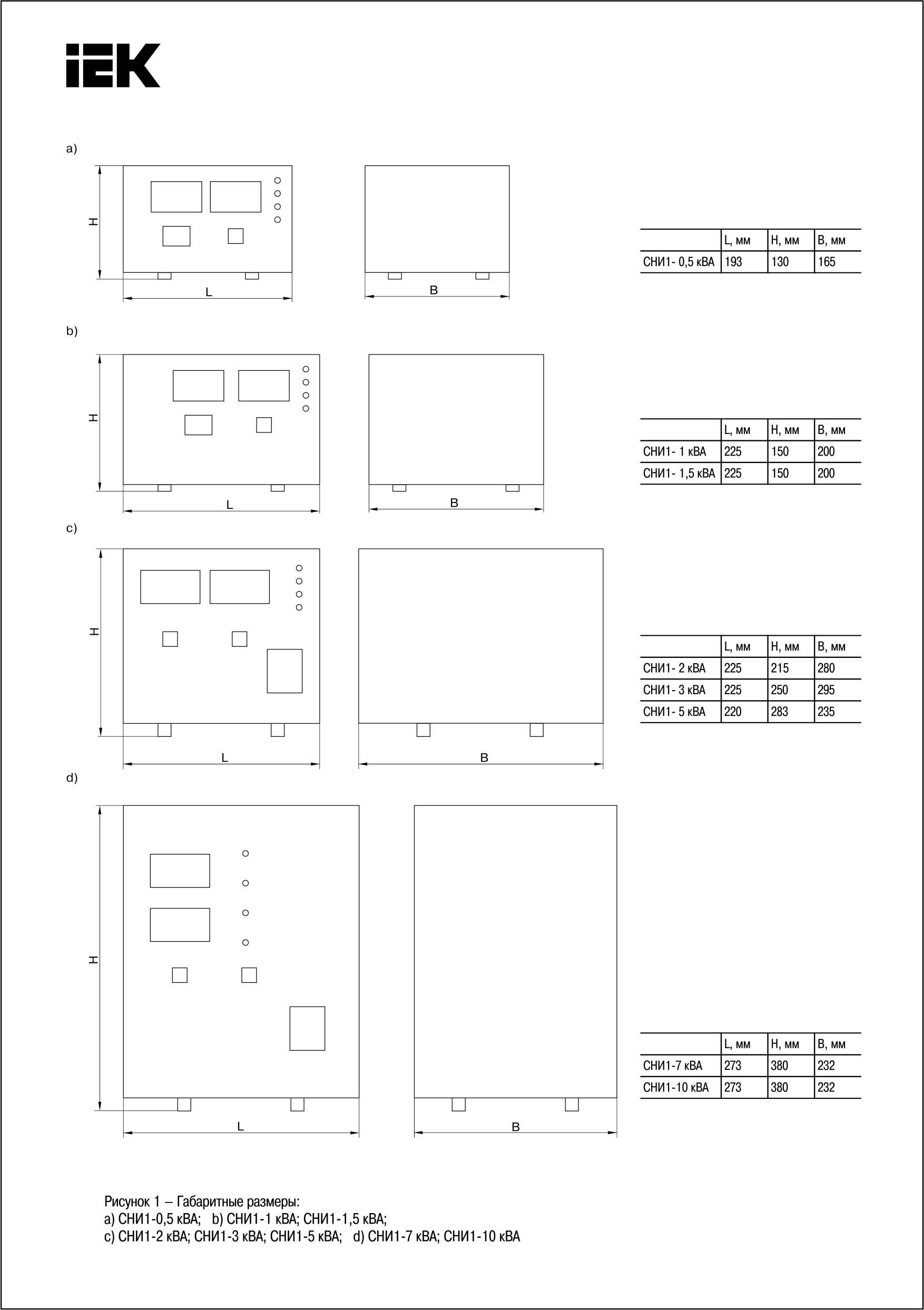
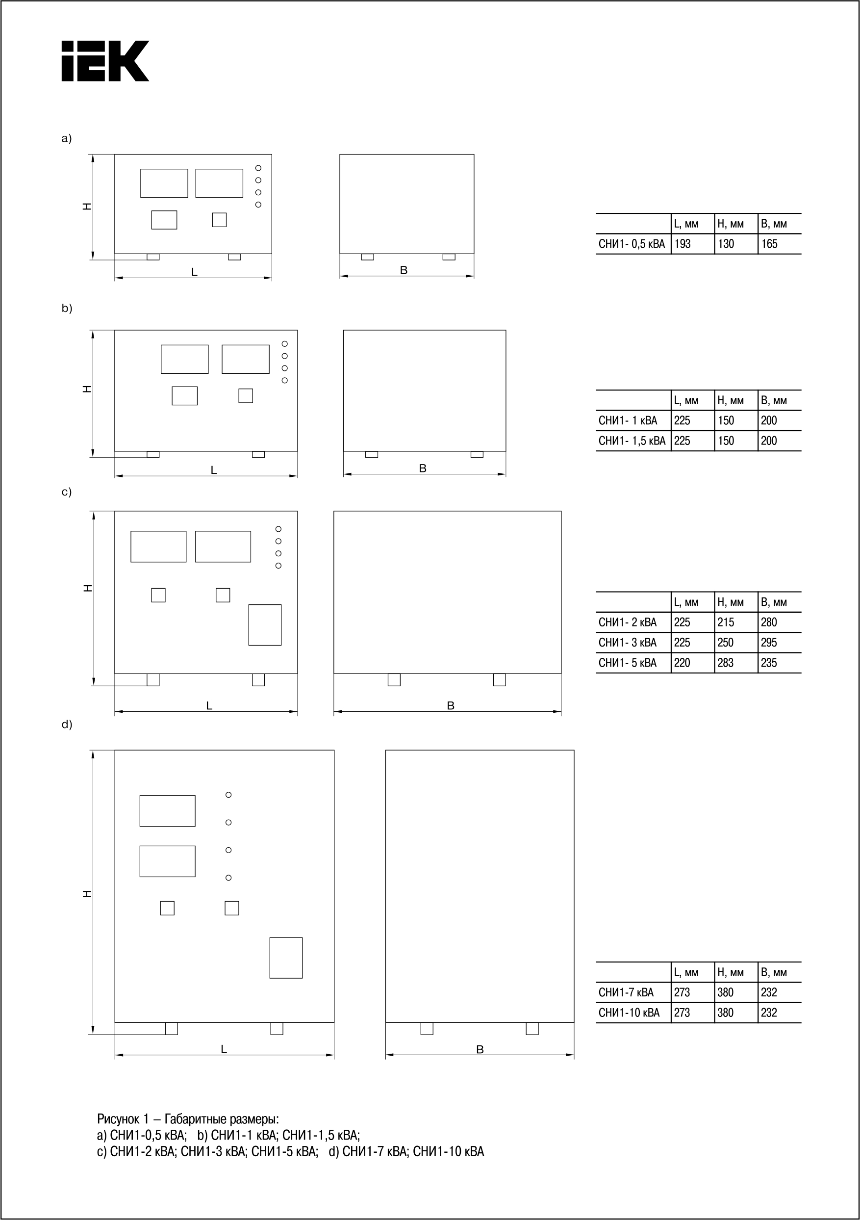
250
225
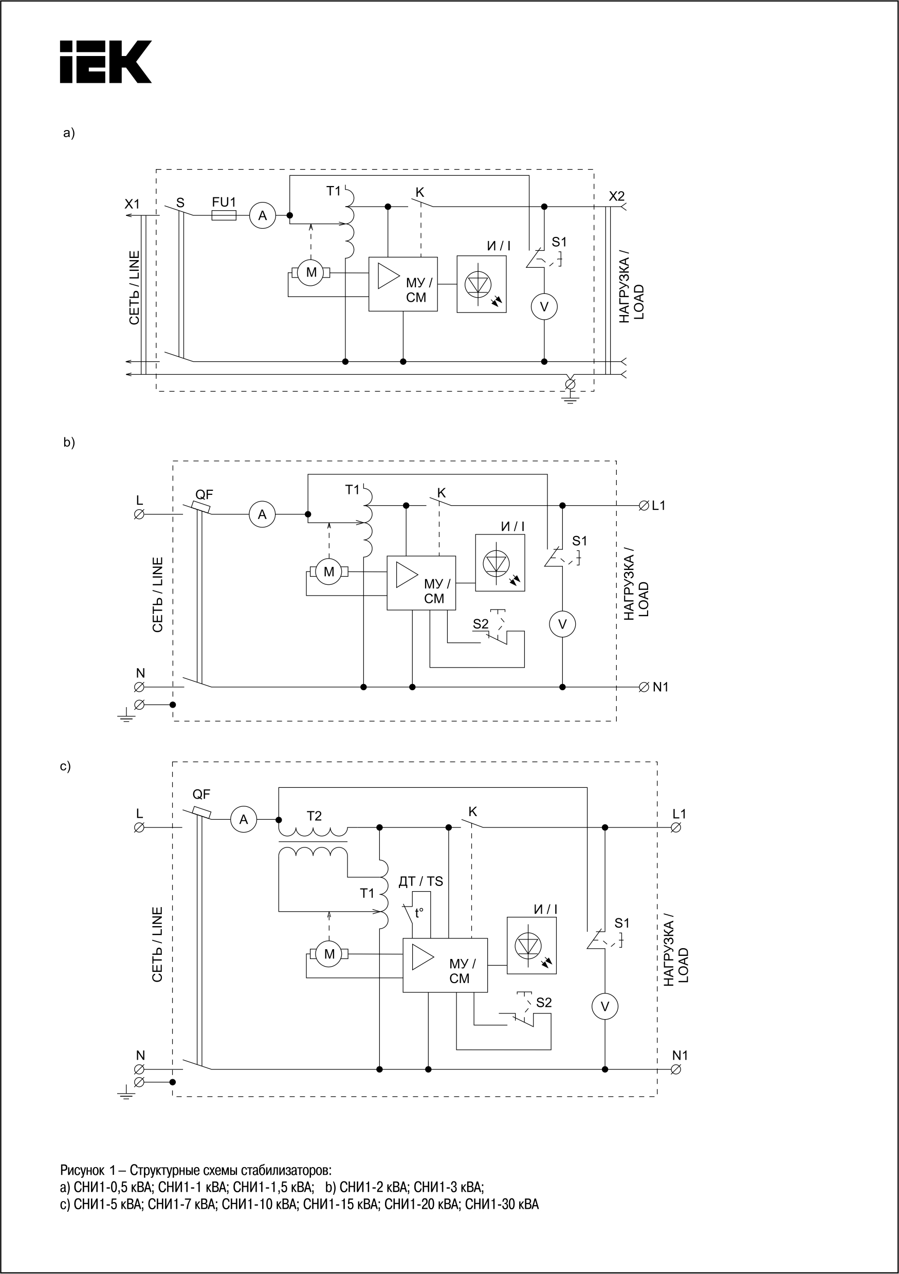
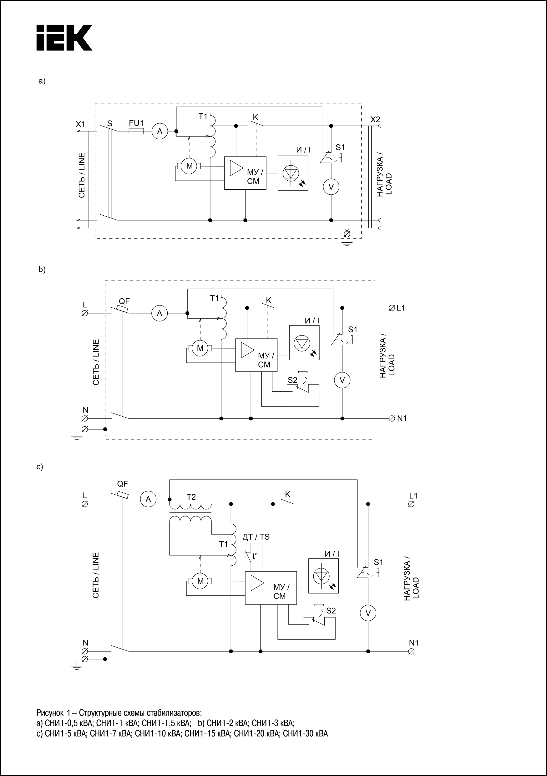
электромеханикалық
295
3
Дана
3
5000±2
13.095
20
1
10
Жоқ
0.040409
1
IEK
едендік нұсқасы
9032890000
едендік
3
13.5
160-250
220
50
220
КИТАЙ
2400-2700
2.5
295
Бұл өнімге арналған бейне жоқ.
Сертификаттар
Мұрағатты жүктеп алуБұл өнімге әлі шолулар жоқ. Сіз бірінші бола аласыз!
Пікір қалдыру үшін жүйеге кіріңіз.
