Кернеу қуаттандырғышы CHИ 1-5 кВа бір фазалы ИЭК
Тапсырыс беру
Менеджермен тексеріңізУХЛ4
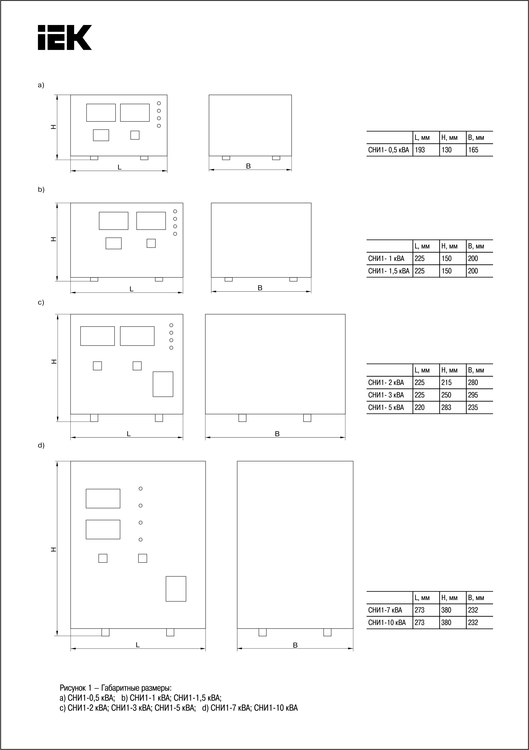
283
220
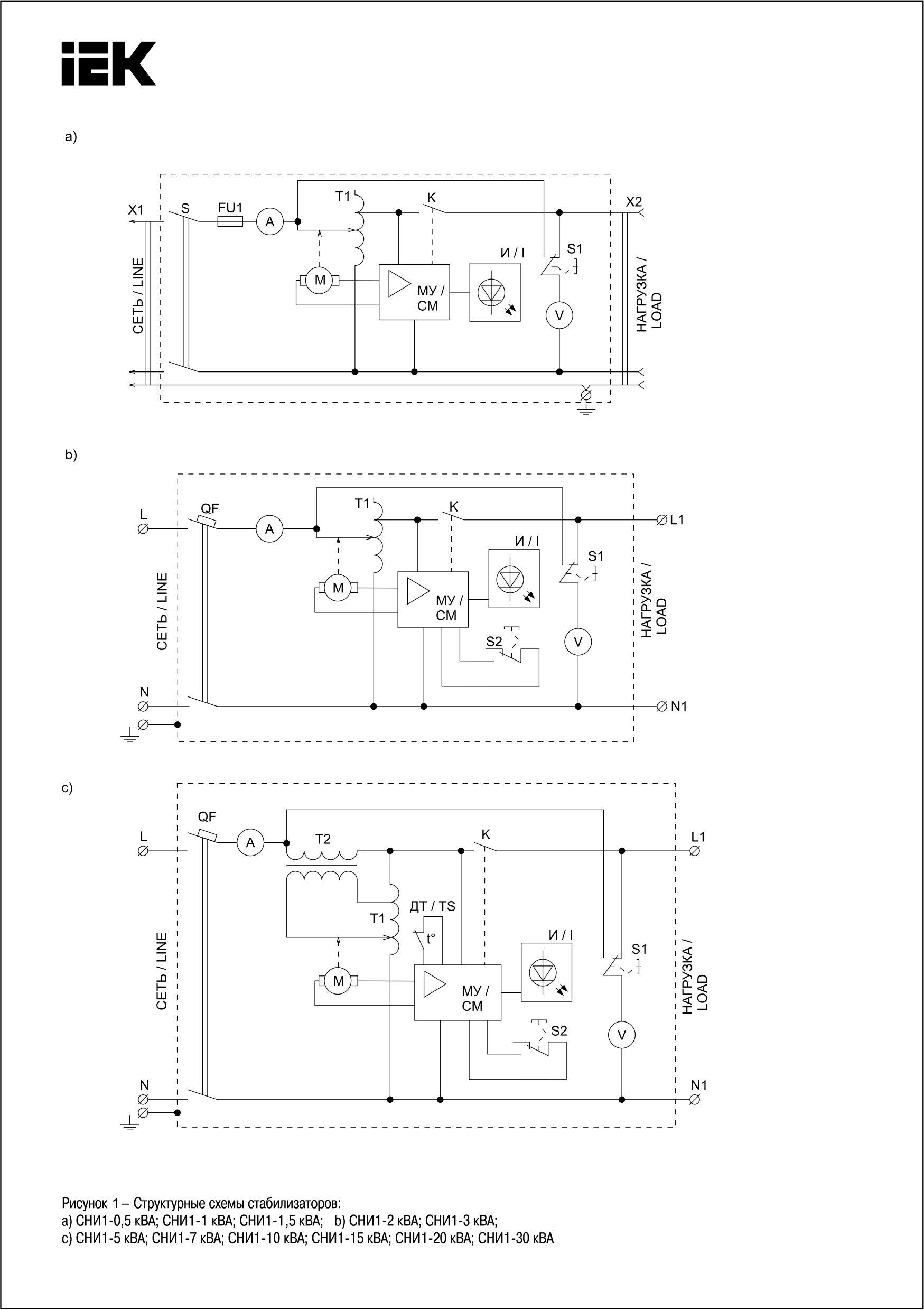
электромеханикалық
235
3
Дана
3
5000±2
18.43
20
1
10
Жоқ
0.04106
1
IEK
едендік нұсқасы
9032890000
едендік
5
22.5
160-250
220
50
220
КИТАЙ
4000-4500
4
235
Бұл өнімге арналған бейне жоқ.
Сертификаттар
Мұрағатты жүктеп алуБұл өнімге әлі шолулар жоқ. Сіз бірінші бола аласыз!
Пікір қалдыру үшін жүйеге кіріңіз.
