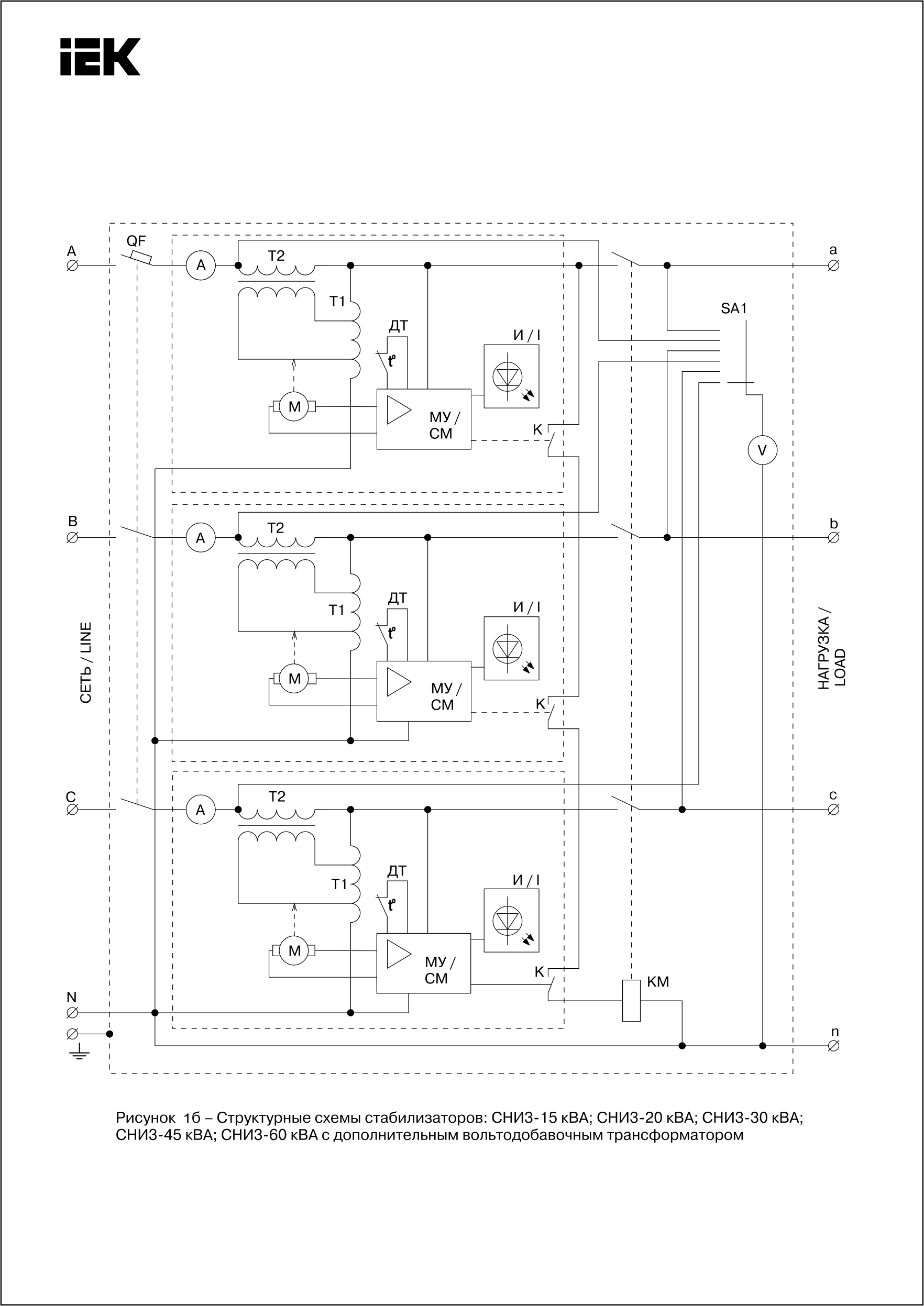
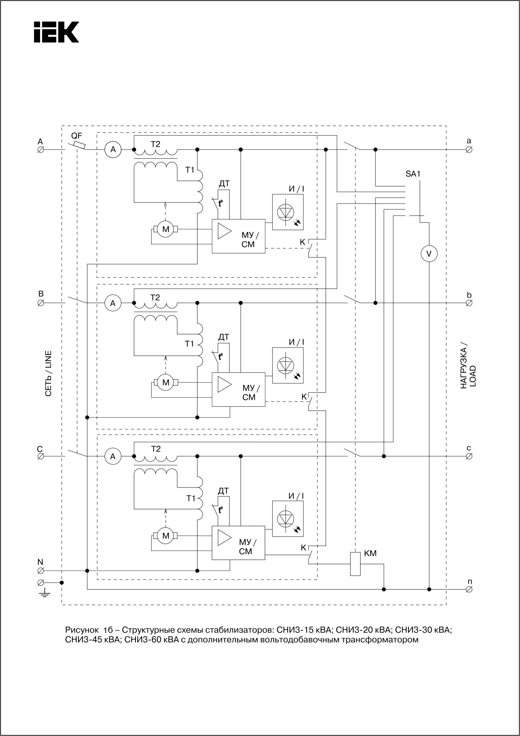
Кернеу қуаттандырғышы CHИ 3-15 кВа үш фазалы ИЭК
Тапсырыс беру
Менеджермен тексеріңіз4.5
390
УХЛ4
793
электромеханикалық
438
3
Дана
390
<1000
87.5
3
1
20
Жоқ
0.25704
10
IEK
3
9032890000
едендік нұсқасы
едендік
15
22.5
160-250; 280-430
220
50
380
КИТАЙ
12000-13500
Бұл өнімге арналған бейне жоқ.
Сертификаттар
Мұрағатты жүктеп алуБұл өнімге әлі шолулар жоқ. Сіз бірінші бола аласыз!
Пікір қалдыру үшін жүйеге кіріңіз.
