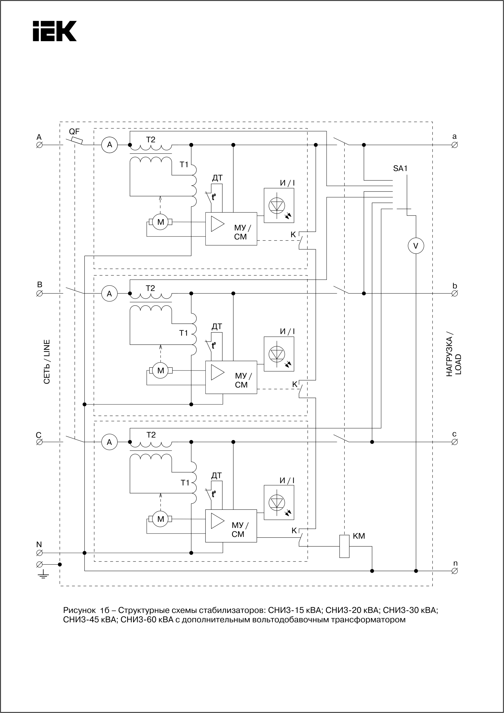
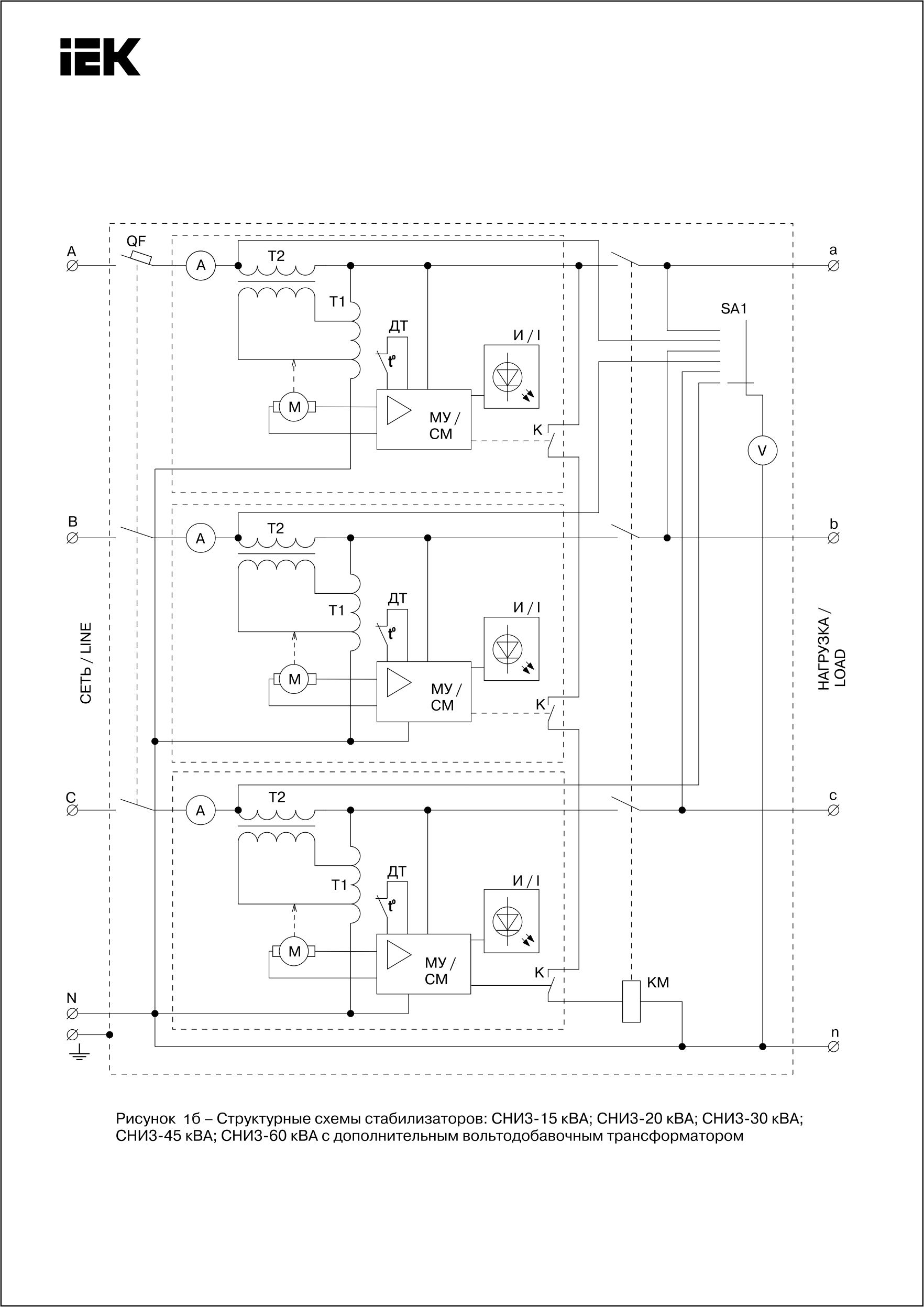
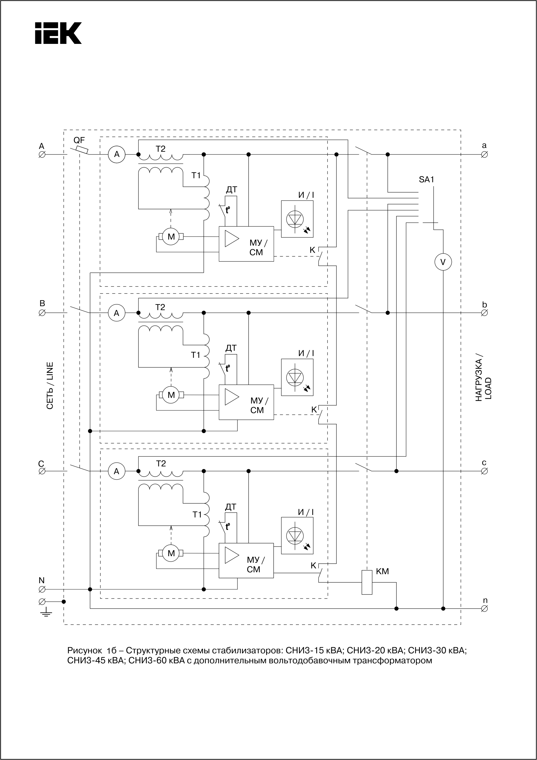
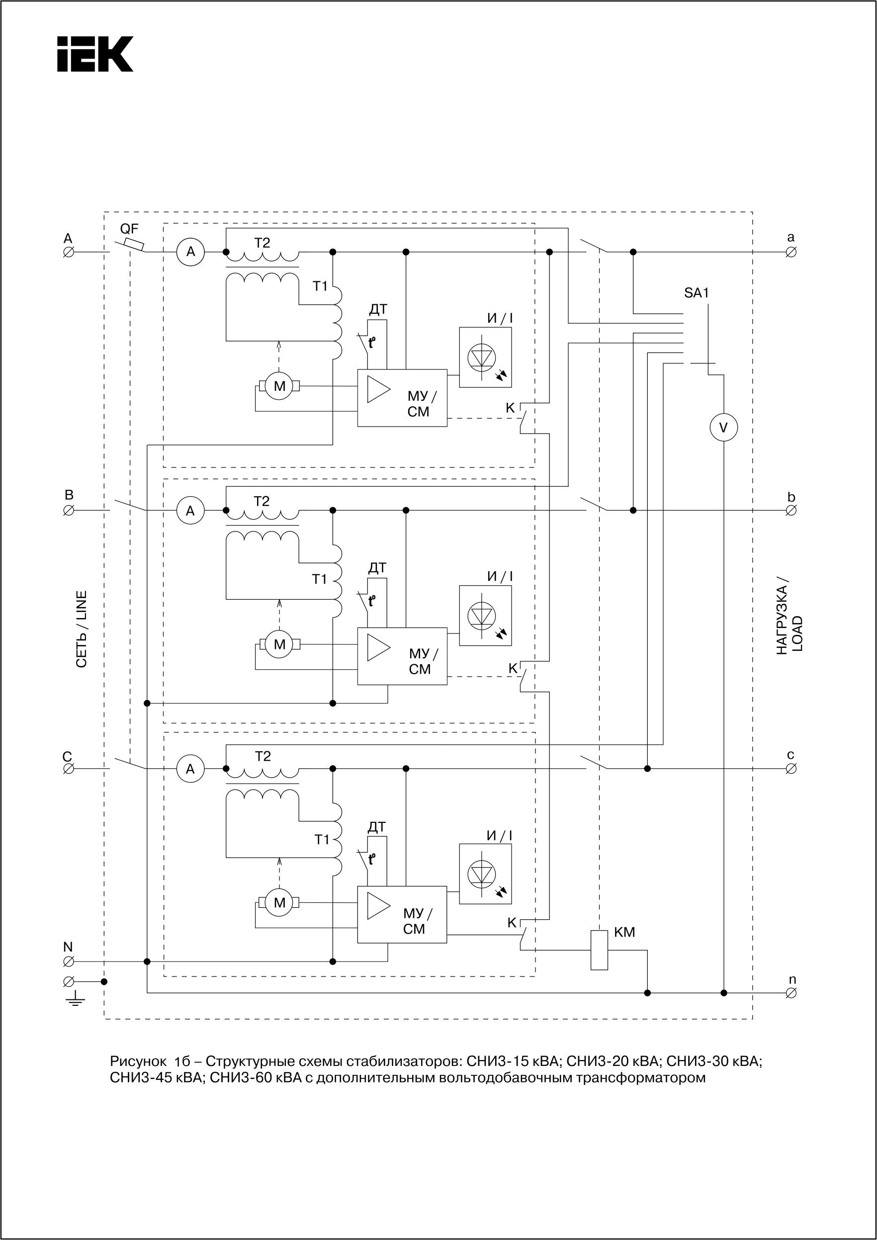
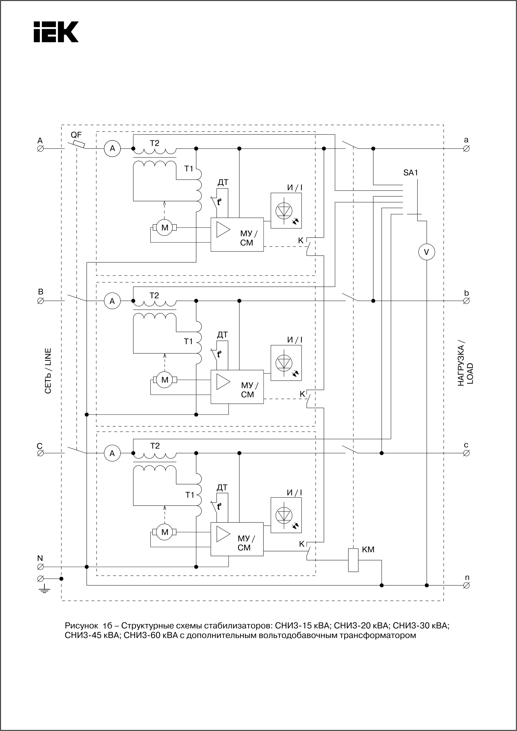
Кернеу қуаттандырғышы CHИ 3-30 кВа үш фазалы ИЭК
Тапсырыс беру
Менеджермен тексеріңіз50
380
КИТАЙ
24000-27000
10
440
УХЛ4
975
электромеханикалық
510
3
Дана
440
3
<1000
126
20
1
10
Жоқ
0.328276
3
IEK
едендік нұсқасы
9032890000
едендік
30
45
160-250; 280-430
220
Бұл өнімге арналған бейне жоқ.
Сертификаттар
Мұрағатты жүктеп алуБұл өнімге әлі шолулар жоқ. Сіз бірінші бола аласыз!
Пікір қалдыру үшін жүйеге кіріңіз.
