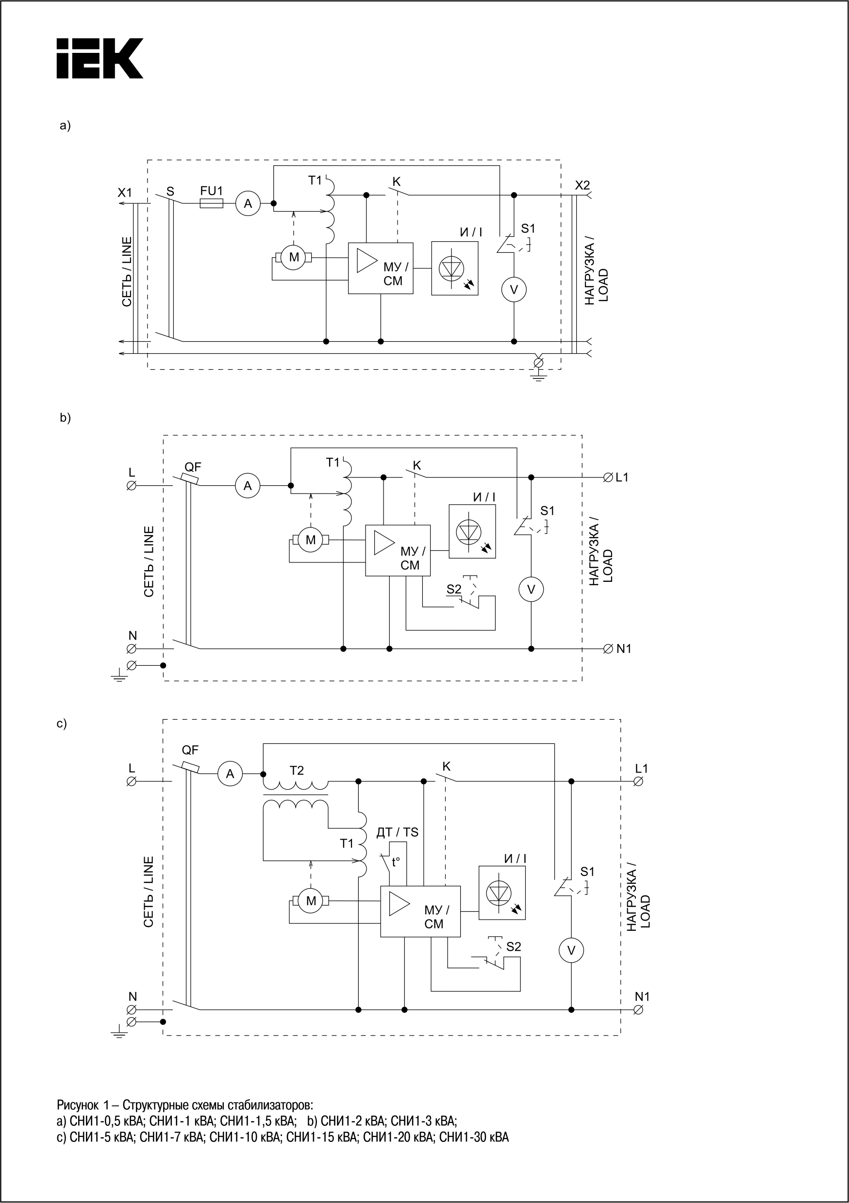
Кернеу тұрақтандырғышы, бір фазалы СНИ1-7 кВА IEK
Тапсырыс беру
Менеджермен тексеріңіз9032890000
едендік нұсқасы
едендік
7
32
160-250
220
220
50
5600-6300
КИТАЙ
232
6
380
УХЛ4
273
электромеханикалық
Дана
232
3
28.3
3
5000±2
20
1
0.068112
10
Жоқ
IEK
1
Бұл өнімге арналған бейне жоқ.
Бұл өнімге әлі шолулар жоқ. Сіз бірінші бола аласыз!
Пікір қалдыру үшін жүйеге кіріңіз.
