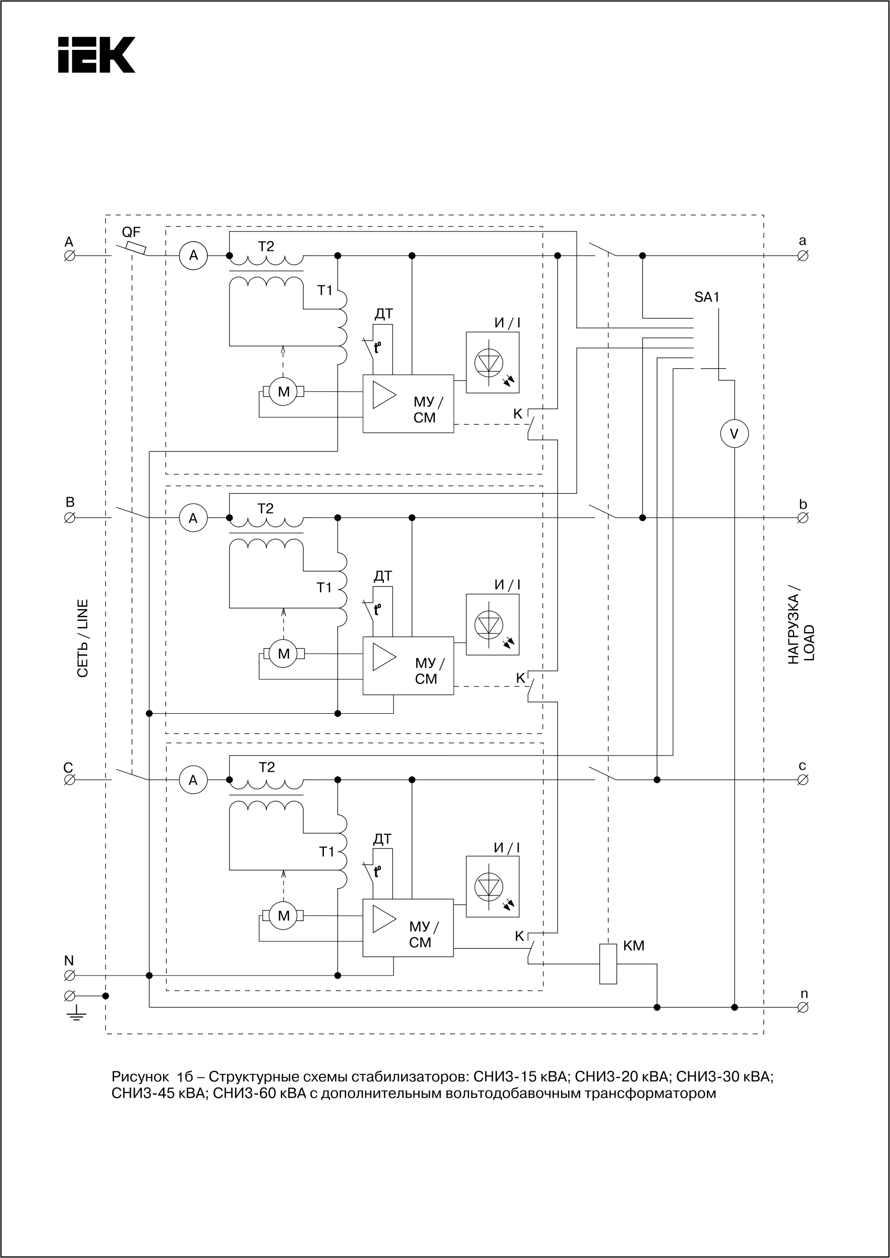
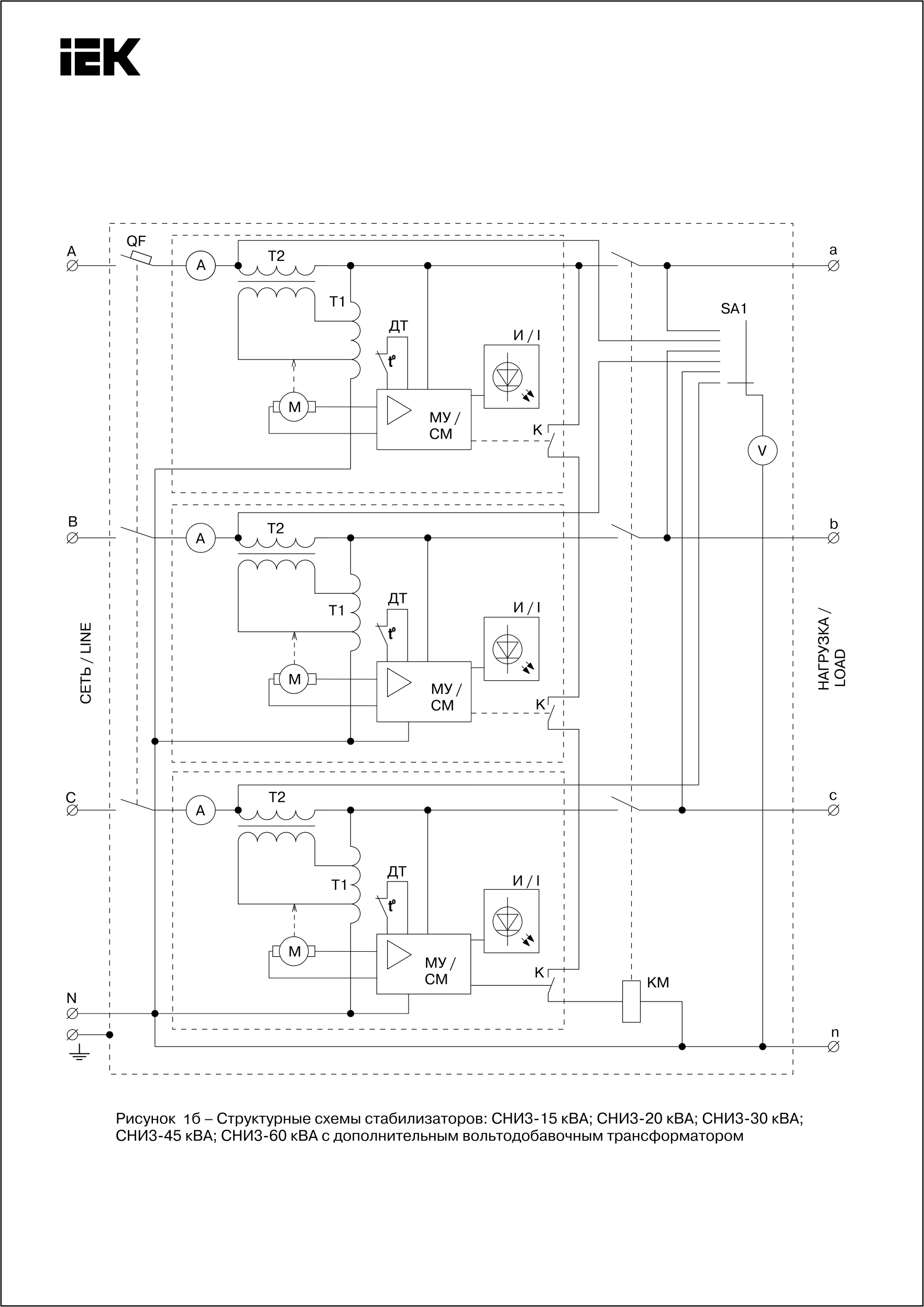
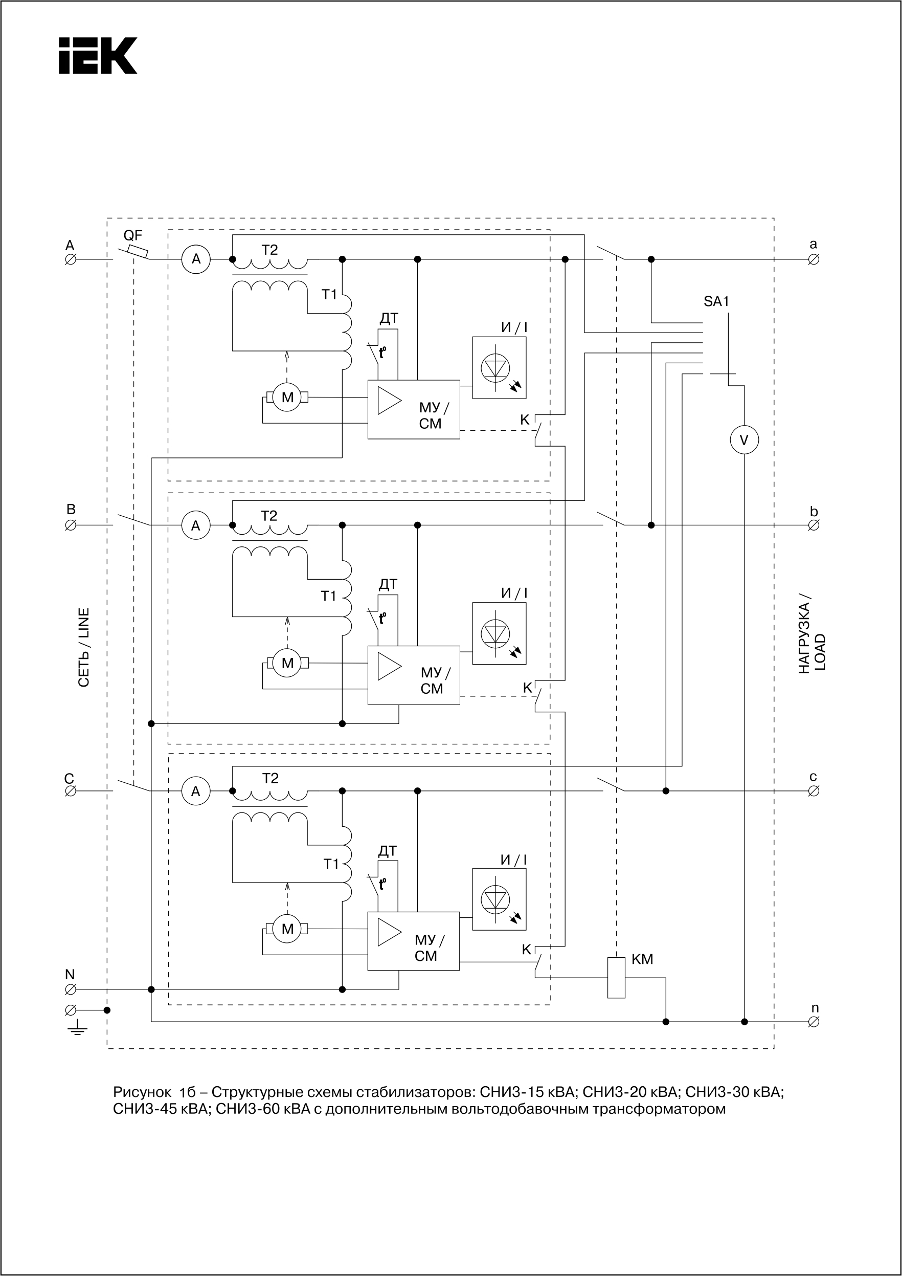
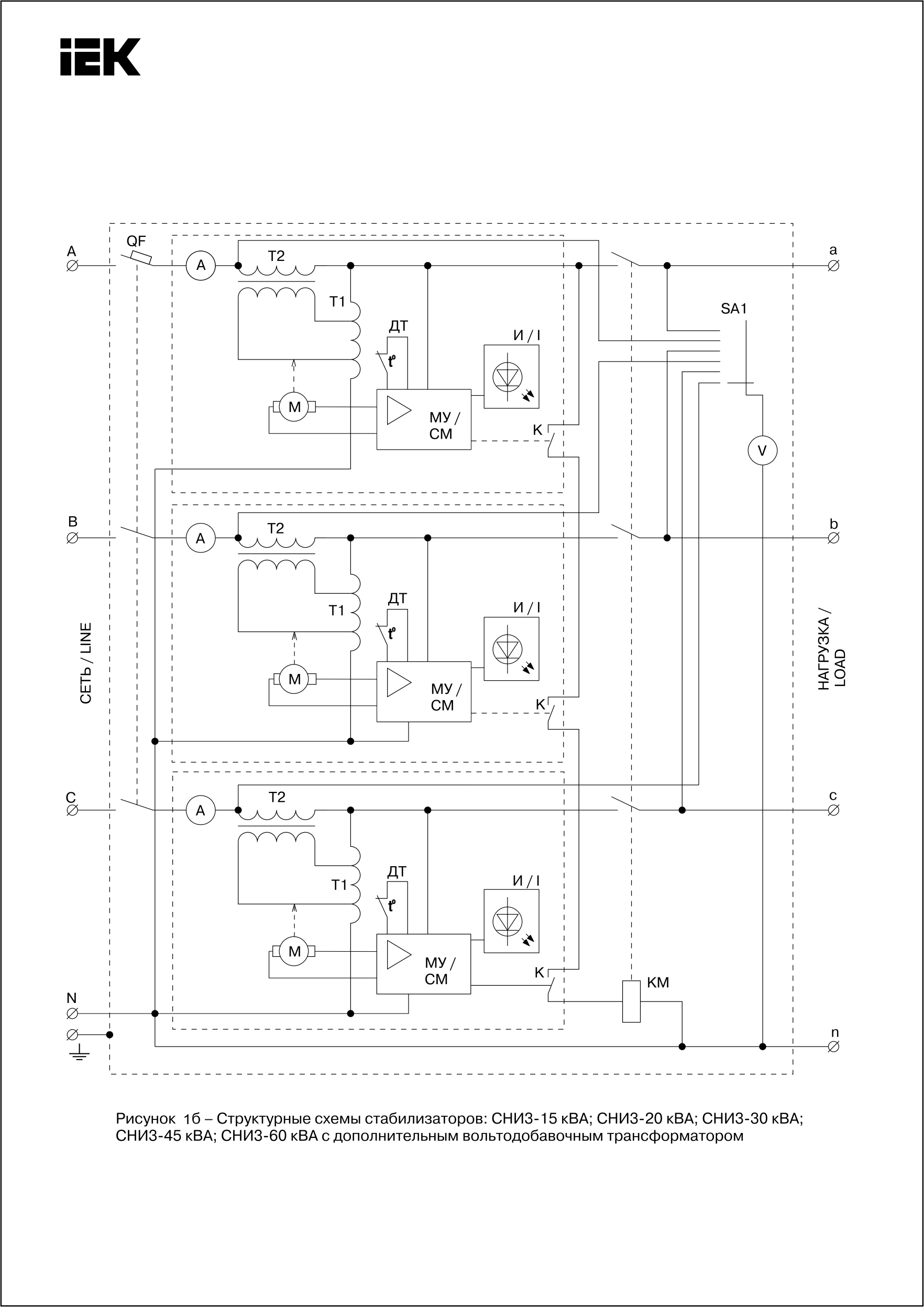
Кернеу қуаттандырғышы СНИ3-20 кВА үш фазалы ИЭК
Тапсырыс беру
Менеджермен тексеріңізIEK
3
9032890000
едендік нұсқасы
едендік
20
32
160-250; 280-430
220
380
50
КИТАЙ
16000-18000
940
6
850
УХЛ4
510
электромеханикалық
Дана
440
3
117.5
3
<1000
20
1
0.288392
10
Жоқ
Сертификаттар
Мұрағатты жүктеп алуБұл өнімге арналған бейне жоқ.
Бұл өнімге әлі шолулар жоқ. Сіз бірінші бола аласыз!
Пікір қалдыру үшін жүйеге кіріңіз.
